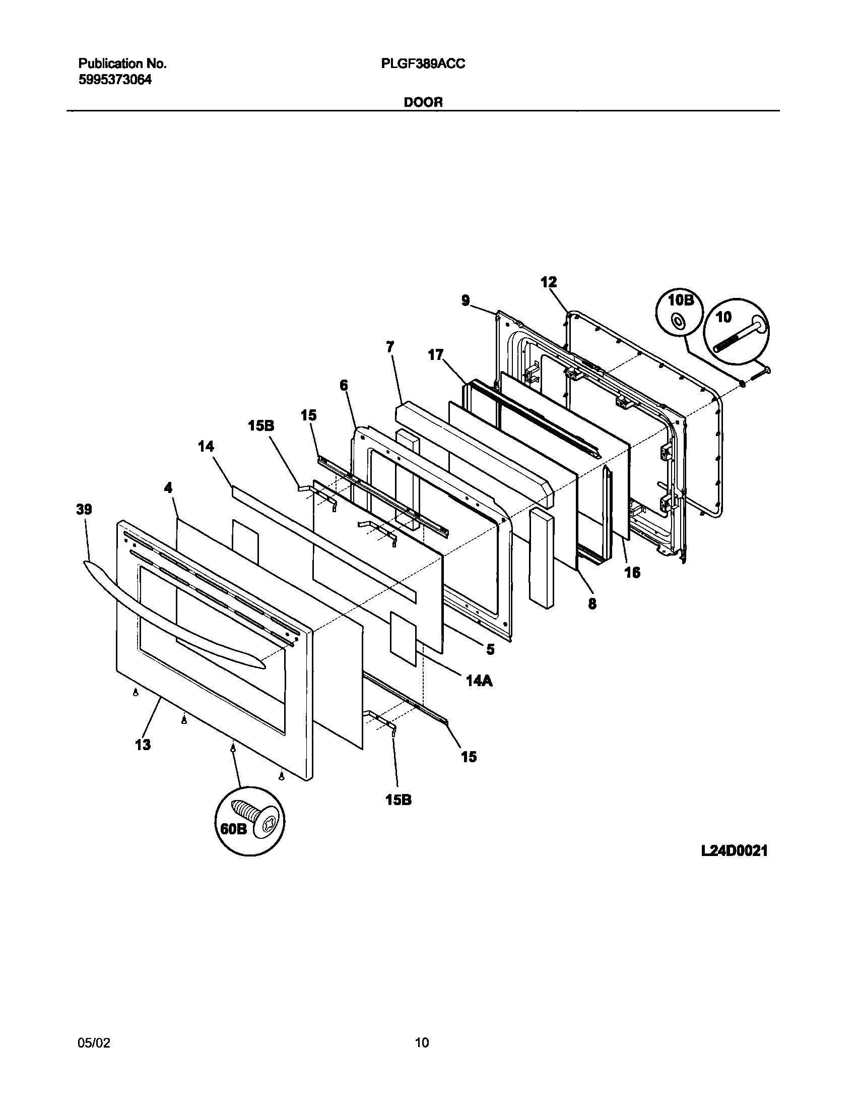
PLGF389ACC 11 – DOOR