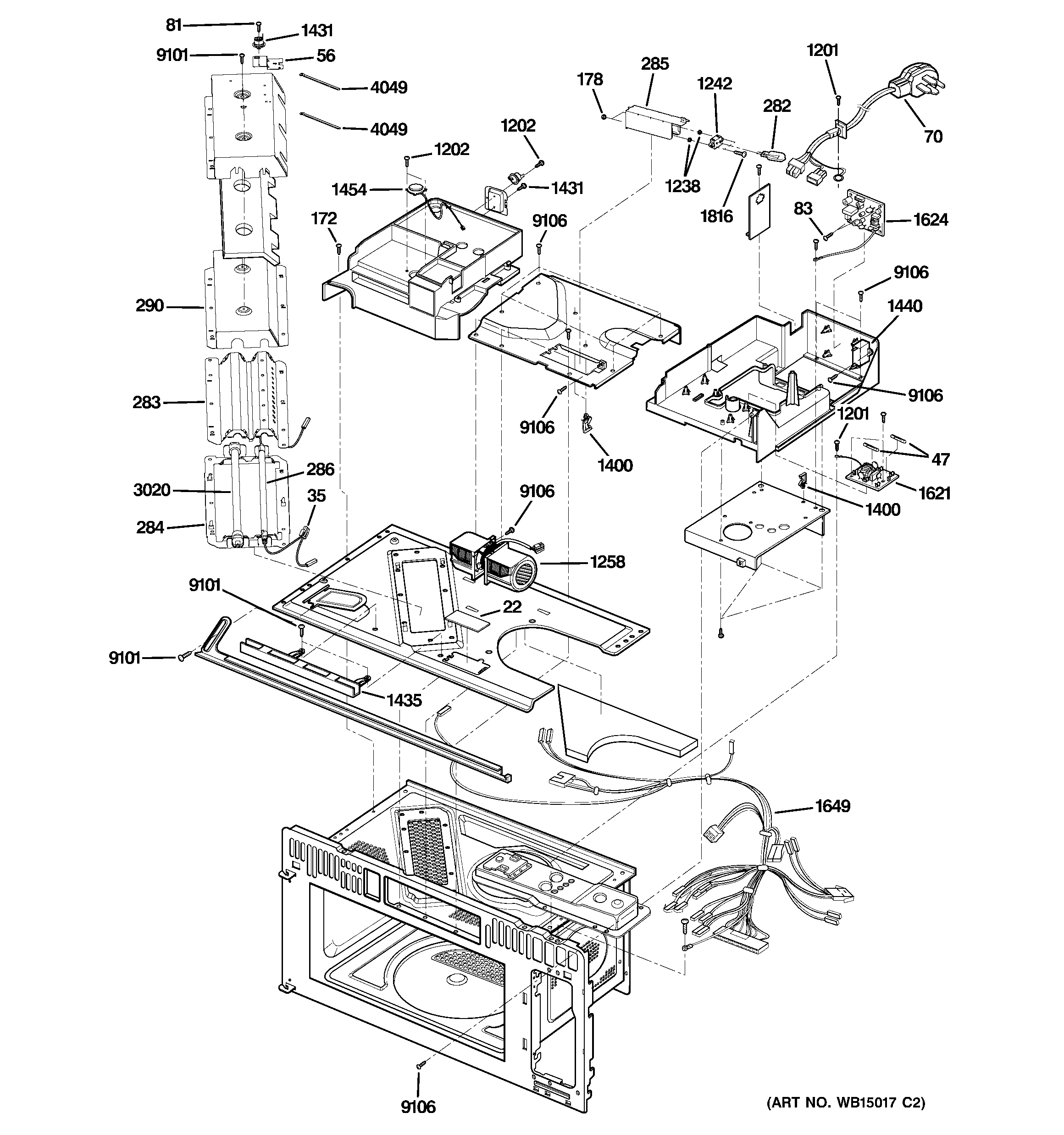
PSA1201RSS01 INTERIOR PARTS (2)