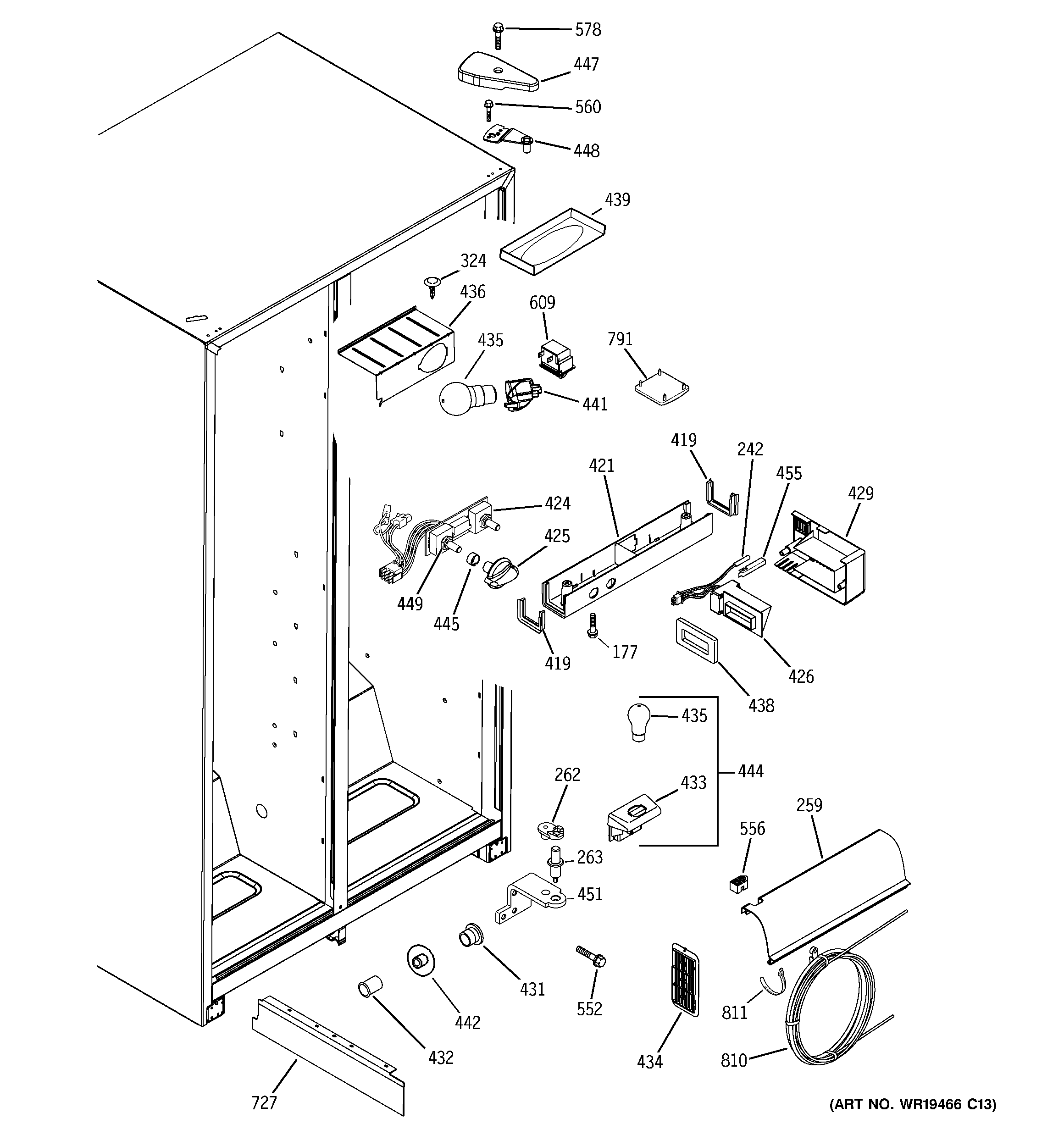
PSA25MIPHFBB FRESH FOOD SECTION