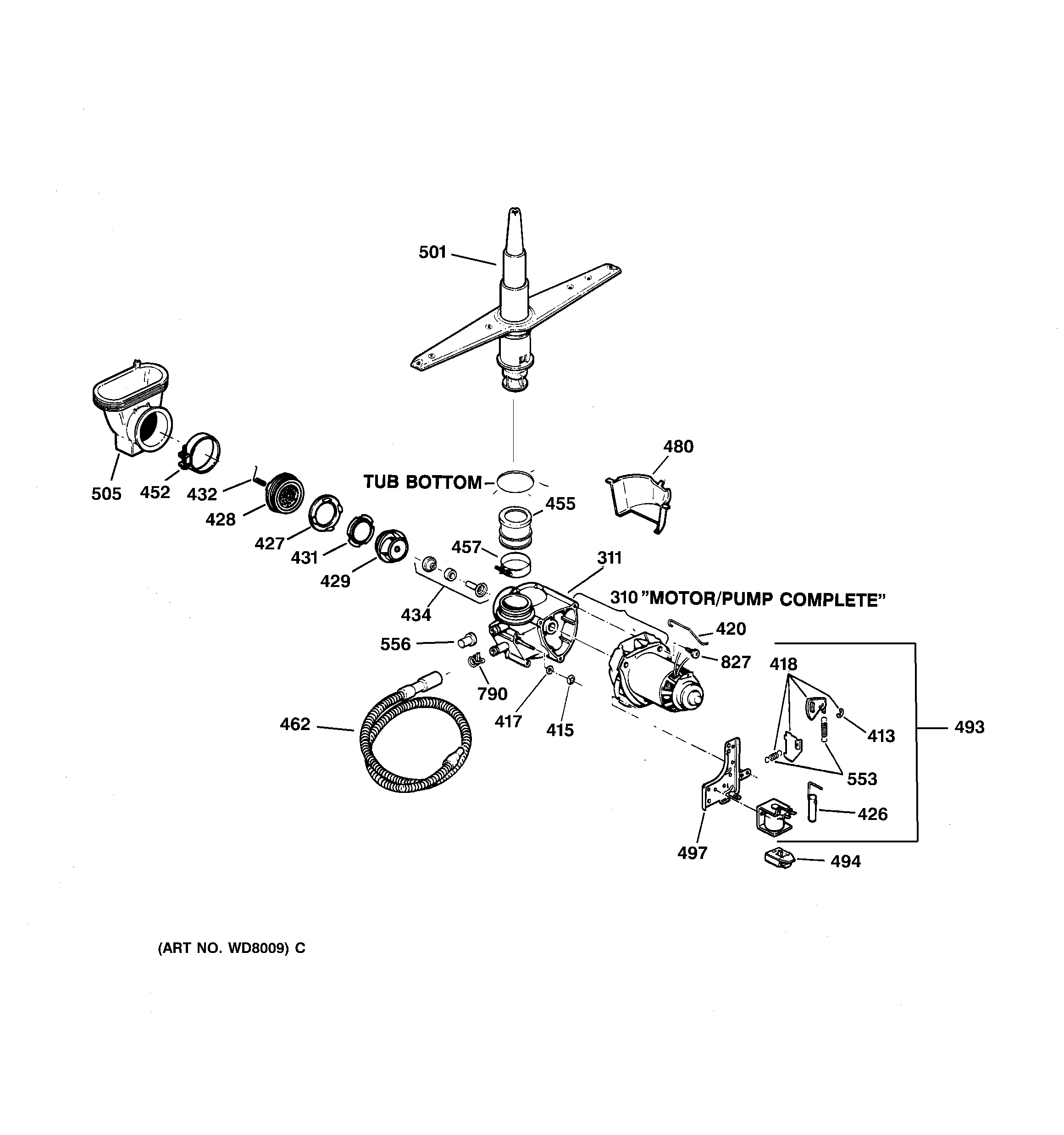
PSD100X-72WH MOTOR-PUMP MECHANISMadmin2025-04-26T09:53:43+00:00PSD100X-72WH MOTOR-PUMP MECHANISM ProductsPositionProduct310WD26X10013 GE Dishwasher Motor and Pump Assembly311GEN WD19X0057413WD3X487D GE Dishwasher Retainer Package415WR2X7054 GE Refrigerator Push-On Nut417WD8X181 GE Dishwasher Pump Gasket418GEN WD35X0192420GEN WD01X1455426ARMATURE&LNK427GEN WD12X0354428GEN WD12X0378429GEN WD19X0060431GEN WD01X1341432GEN WD01X1487434GEN WD19X10001452WD1X1392 GE Dishwasher Sump Clamp455WD18X214 GE Dishwasher Pump to Wash Arm Rubber Connector457WD1X1376 GE Dishwasher Clamp462WD24X10014 GE Dishwasher Drain Hose480GEN WD12X0339493WD21X802 GE Dishwasher Drain Solenoid494WD1X1459 GE Dishwasher Insulation Housing497GEN WD01X1439501WD22X154 GE Dishwasher Wash Arm Assembly505WD18X213 GE Dishwasher Inlet Sump Housing553WD3X721 GE Dishwasher Spring Set556GEN WD01X5405790WH1X2036 GE UNIX Clamp827GEN WD02X0425