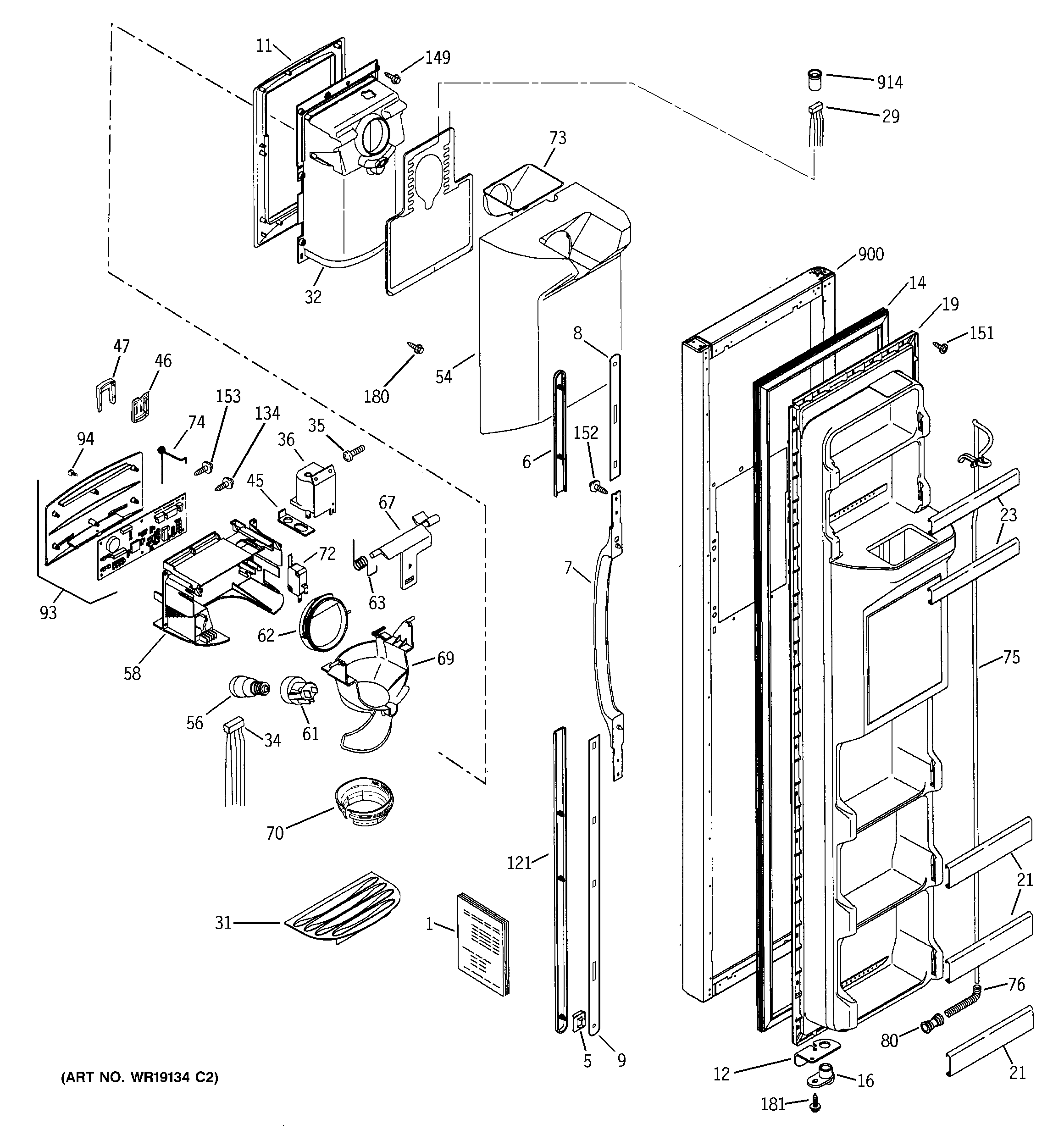
PSG22MIMDFWW FREEZER DOORadmin2025-04-26T09:55:50+00:00PSG22MIMDFWW FREEZER DOOR ProductsPositionProduct1GEN 49-601671GEN 31-459285GEN WR02X104326GEN WR12X103967GEN WR12X101218GEN WR12X103979GEN WR12X1012011GEN WR38X1020412GEN WR02X1057614GEN WR24X1005816GEN WR02X1128419GEN WR77X1003721GEN WR17X1099623GEN WR17X1104329GEN WR23X1027331GEN WR17X1071232GEN WR17X1106934GEN WR23X1016635WR01X10649 GE Refrigerator Screw 8-10 PL PNP 1/2 S36WR62X10055 GE Refrigerator Dispenser Door Solenoid Assembly45WR2X8818 GE Refrigerator Retainer46GEN WR02X1117747GEN WR02X1117854GEN WR17X1075456WR01X37886 GE Refrigerator Dispenser Light58WR17X11170 GE Refrigerator Housing Shield Dispenser61WR2X9561 GE Refrigerator Lamp Socket62WR17X11653 GE Refrigerator Ice Door Flap Assembly63WR02X10585 SPRING RECES67WR17X10706 GE Refrigerator Door Crank Recess69GEN WR17X1089070GEN WR17X1126572WR23X10783 GE Refrigerator Dispenser Micro Switch73GEN WR17X1076774GEN WR02X1058475GEN WR17X1111876GEN WR02X893380WR02X11330 GE Refrigerator 5/16 Union Water Line Connector93GEN WR55X1022194GEN WR01X10319121GEN WR12X10123134WR01X10019 GE Refrigerator Screw 6-10 PL FLP 1/2 S149WR01X10196 GE Refrigerator Screw 8-18 HID02151WR01X10623 GE Refrigerator Screw 8-18 AB IHXW 9/16 S152GEN WR01X10038153WR1X1505D GE Refrigerator Screw Package of 12180WE02X10011 GE Screw181GEN WR01X10215900GEN WR78X10401914GEN WR01X10200