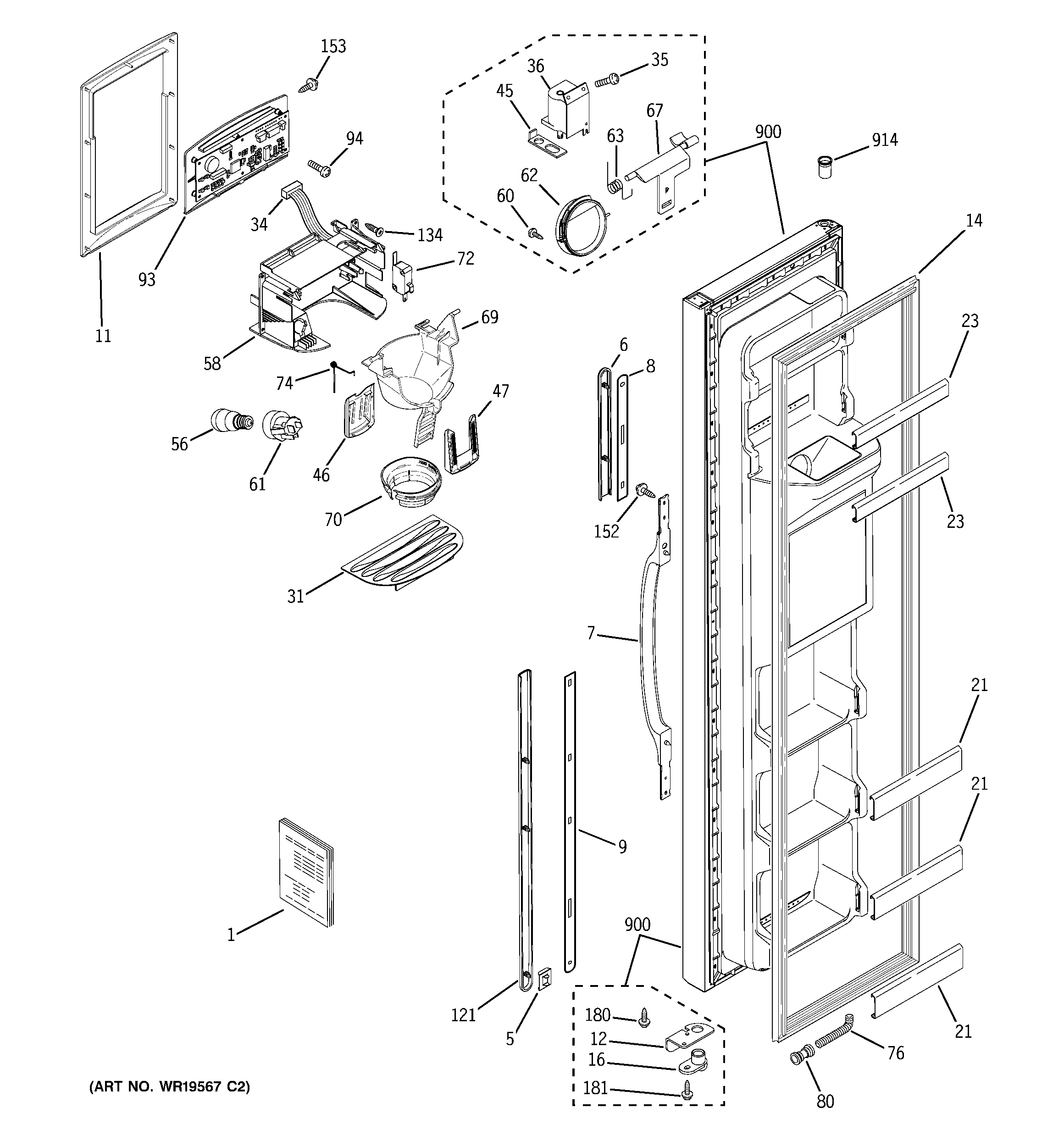
PSG22MIPHFBB FREEZER DOORadmin2025-04-26T09:57:11+00:00PSG22MIPHFBB FREEZER DOOR ProductsPositionProduct1GEN 49-602221GEN 31-462155GEN WR02X104326GEN WR12X104027GEN WR12X101328GEN WR12X103979GEN WR12X1012011WR38X23216 GE Refrigerator Trim Recess12WR02X11466 GE Refrigerator Door Stop Plate14WR24X23195 GE Refrigerator Door Gasket 20/22'16GEN WR02X1147821GEN WR17X1099623GEN WR17X1104331GEN WR17X1074534GEN WR23X1016635WR01X10649 GE Refrigerator Screw 8-10 PL PNP 1/2 S36WR62X10055 GE Refrigerator Dispenser Door Solenoid Assembly45WR2X8818 GE Refrigerator Retainer46GEN WR02X1117547GEN WR02X1117656WR01X37886 GE Refrigerator Dispenser Light58WR17X11170 GE Refrigerator Housing Shield Dispenser60WR01X10656 GE Refrigerator Screw 4-10 PL PNP 5/16 S5H61WR2X9561 GE Refrigerator Lamp Socket62WR17X11653 GE Refrigerator Ice Door Flap Assembly63WR02X10585 SPRING RECES67WR17X10706 GE Refrigerator Door Crank Recess69GEN WR17X1152970WR49X10076 GE Refrigerator FUNL EXTN BK72WR23X10783 GE Refrigerator Dispenser Micro Switch74GEN WR02X1058476GEN WR02X893380WR02X11330 GE Refrigerator 5/16 Union Water Line Connector93INTERFACE DISP ASM94GEN WR01X10319121GEN WR12X10134134WR01X10019 GE Refrigerator Screw 6-10 PL FLP 1/2 S152GEN WR01X10038153WR1X1505D GE Refrigerator Screw Package of 12180WE02X10011 GE Screw181GEN WR01X10215900GEN WR78X11006914GEN WR01X10200