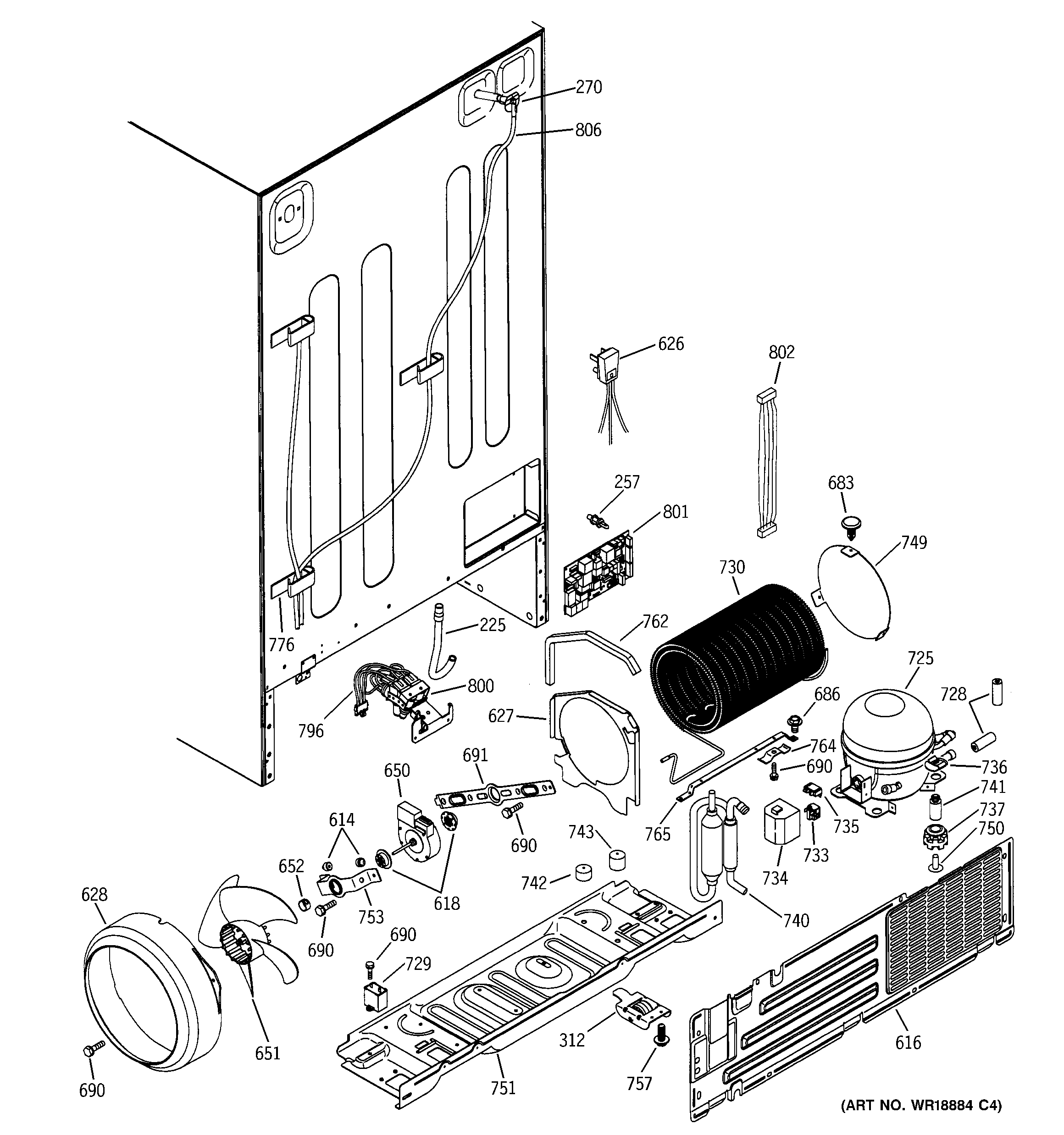
| 225 | TUBE DRAIN |
| 257 | WR02X10663 GE Refrigerator Standoff |
| 270 | WR02X10967 GE Refrigerator Gasket and Grommet Assembly |
| 312 | GEN WR02X10827 |
| 614 | BUMPER |
| 616 | WR82X10103 GE Refrigerator Access Cover |
| 618 | WR02X10520 GE Refrigerator Fan Motor Grommet |
| 626 | WR23X10300 GE Refrigerator Power Cord Assembly |
| 627 | WR17X35527 GE Refrigerator Condenser Fan Shroud |
| 650 | WR60X10209 GE Refrigerator DC Condenser Fan Motor |
| 651 | WR60X24484 GE Refrigerator Condenser Fan Blade |
| 652 | WR02X12149 GE Refrigerator Ring |
| 683 | WR02X10562 GE Push Fastener |
| 690 | WZ5X158D GE Screw Package of 12 |
| 691 | WR02X10593 GE Refrigerator Bracket Condenser Fan (Rear) |
| 725 | WR87X20798 GE Refrigerator High Side Assembly |
| 728 | WR14X10055 GE Refrigerator Slit Grommet Tubing |
| 729 | WR55X24064 GE Refrigerator Run Capacitor |
| 730 | WR84X10022 GE Refrigerator Condenser Replacement Kit |
| 733 | WR07X26749 GE Refrigerator Start Relay |
| 734 | GEN WR02X10556 |
| 735 | WR08X10025 GE Refrigerator Overload |
| 736 | GEN WR02X8203 |
| 737 | WR02X22869 GE Refrigerator Grommet |
| 740 | WR86X25269 GE Refrigerator R134 Dryer |
| 741 | WR1X1779 GE Refrigerator Stud Mounting Compressor |
| 742 | GEN WR02X10587 |
| 743 | GEN WR02X10588 |
| 749 | WR17X13159 GE Refrigerator Baffle Condenser Air |
| 750 | WR1X1786 GE Refrigerator Screw |
| 751 | GEN WR17X10693 |
| 753 | WR02X11863 GE Refrigerator Condenser Fan Bracket (Mounting) |
| 757 | WR01X10194 GE Refrigerator Screw 10-32 TT HXW 5/16 S |
| 762 | WR14X10053 GE Refrigerator Foam Strip Adhesive |
| 764 | WR2X9000 GE Refrigerator Condenser Clip |
| 765 | WR17X10763 GE Condenser Bracket Bar |
| 776 | WR02X10522 GE Refrigerator Clamp Tube |
| 796 | GEN WR23X10168 |
| 800 | WR57X33326 GE Refrigerator Water Inlet Valve |
| 801 | WR55X10942C-includeCORE GE WR55X10942C Refrigerator Main Control + Core |
| 802 | WR23X10504 GE Refrigerator Harness Board INDIV |
| 806 | WR17X11625 GE Refrigerator Plastic Tube |