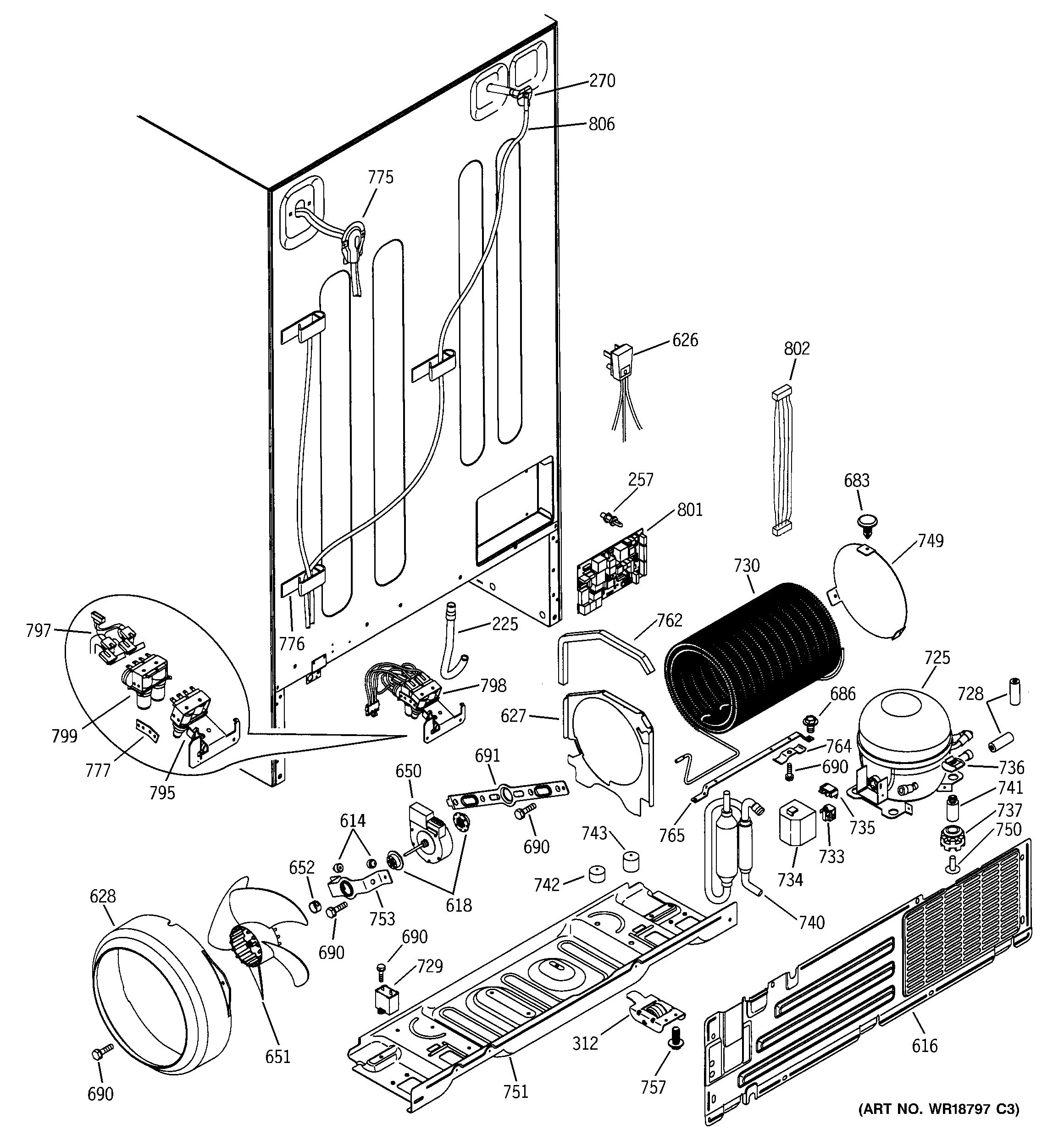
PSI23MGMABB UNIT PARTS

PSI23MGMABB UNIT PARTS

Products

PositionProduct
225TUBE DRAIN
257WR02X10663 GE Refrigerator Standoff
270WR2X4754 GE Refrigerator Fill Clamp
270WR2X8474 GE Fill Tube
312GEN WR02X10827
614BUMPER
616WR82X10103 GE Refrigerator Access Cover
618WR02X10520 GE Refrigerator Fan Motor Grommet
626WR23X10300 GE Refrigerator Power Cord Assembly
626WR1X5278 GE Refrigerator Cable Clamp
627WR17X35527 GE Refrigerator Condenser Fan Shroud
650WR60X10209 GE Refrigerator DC Condenser Fan Motor
651WR60X24484 GE Refrigerator Condenser Fan Blade
652WR02X12149 GE Refrigerator Ring
683WR02X10562 GE Push Fastener
690WZ5X158D GE Screw Package of 12
691WR02X10593 GE Refrigerator Bracket Condenser Fan (Rear)
725WR87X20798 GE Refrigerator High Side Assembly
728WR14X10055 GE Refrigerator Slit Grommet Tubing
729WR55X24064 GE Refrigerator Run Capacitor
730WR84X10022 GE Refrigerator Condenser Replacement Kit
733WR07X26749 GE Refrigerator Start Relay
734GEN WR02X10556
735WR08X10025 GE Refrigerator Overload
736GEN WR02X8203
737WR02X22869 GE Refrigerator Grommet
740WR86X25269 GE Refrigerator R134 Dryer
741WR1X1779 GE Refrigerator Stud Mounting Compressor
742GEN WR02X10587
743GEN WR02X10588
749WR17X13159 GE Refrigerator Baffle Condenser Air
750WR1X1786 GE Refrigerator Screw
751GEN WR17X10693
753WR02X11863 GE Refrigerator Condenser Fan Bracket (Mounting)
757WR01X10194 GE Refrigerator Screw 10-32 TT HXW 5/16 S
762WR14X10053 GE Refrigerator Foam Strip Adhesive
764WR2X9000 GE Refrigerator Condenser Clip
765WR17X10763 GE Condenser Bracket Bar
775WR17X10796 GE Refrigerator Water Line Cover
776WR02X10522 GE Refrigerator Clamp Tube
777WR02X10370 GE Refrigerator Water Valve Bracket
795WR57X10023 GE Water Inlet Valve
797WR23X10108 GE Refrigerator Harness
798WR57X10026 GE Refrigerator Water Inlet Valve
799WR57X10024 GE Water Inlet Valve
801WR55X10942C-includeCORE GE WR55X10942C Refrigerator Main Control + Core
802WR23X10504 GE Refrigerator Harness Board INDIV
806WR17X11625 GE Refrigerator Plastic Tube