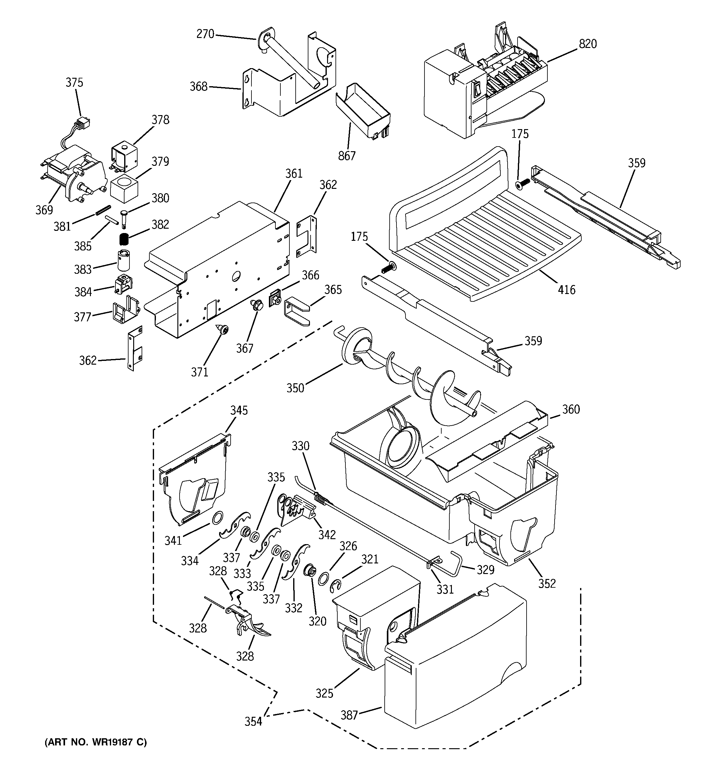
PSP29SHMFCBS ICE MAKER & DISPENSERadmin2025-04-26T10:00:37+00:00PSP29SHMFCBS ICE MAKER & DISPENSER ProductsPositionProduct175WR01X10652 GE Refrigerator Screw 8-18 AB IHW 5/8 S270WR17X11168 GROMMET AND TUBE ASM320WR01X10315 GE Refrigerator Auger Nut321WR1X1367D GE Refrigerator Return Package 12325WR17X11505 GE Refrigerator Housing Crusher326GEN WR01X1366328GEN WR02X4561328WR2X4143 GE Refrigerator Pivot328WR17X10703 GE Refrigerator Deflector329WR17X10809 GE Display Wire Actuator330WR02X11768 GE Refrigerator Internal Spring Deflector331WR02X10580 GE Refrigerator Retainer Spring332WR17X11239 GE Refrigerator Blades Moving Dispenser333WR17X11240 GE Dispensing Moving Blades334WR17X11241 GE Refrigerator Blades Moving Dispenser335GEN WR02X4139337WR2X4138 GE Refrigerator Spacer341WR29X10045 GE Refrigerator Washer Crusher Blade342WR02X10691 GE Refrigerator STATIONARY Blades Assembly345WR17X11497 GE Refrigerator Ice Dispenser Crusher Cover350WR29X46726 GE Ice Bucket352WR30X10019 GE Refrigerator Ice Bucket Display359WR72X10169 GE Refrigerator Glide Bracket Left Hand359WR72X10145 GE Refrigerator Right Hand Glide Bucket Display360WR17X11449 GE Refrigerator Diverter Overflow361GEN WR17X11323362GEN WR02X10656365DRIVE AUGER DISP366GEN WR01X10190367WR01X10618 GE Refrigerator Screw 8-18 TPT 1/4368GEN WR02X11435369WR60X10260 GE Refrigerator Motor Crusher Dispenser371WR01X10619 GE Refrigerator Screw375GEN WR23X10172377WR2X7309 GE Refrigerator Solenoid Cushion378WR62X10054 GE Refrigerator Solenoid & Arm Assembly381WR62X23154 GE Refrigerator Ice Dispenser Solenoid Kit382WR62X26536 GE Refrigerator Armature Kit387COVER BUCKET DISP416WR71X10372 GE Refrigerator Chiller Shelf820WR30X10081 GE Refrigerator Electronic IM INTL ROHS867WR29X10109 GE Refrigerator Water Fill Cup