PSS29NHPABB FRESH FOOD SECTION

PSS29NHPABB FRESH FOOD SECTION

Products

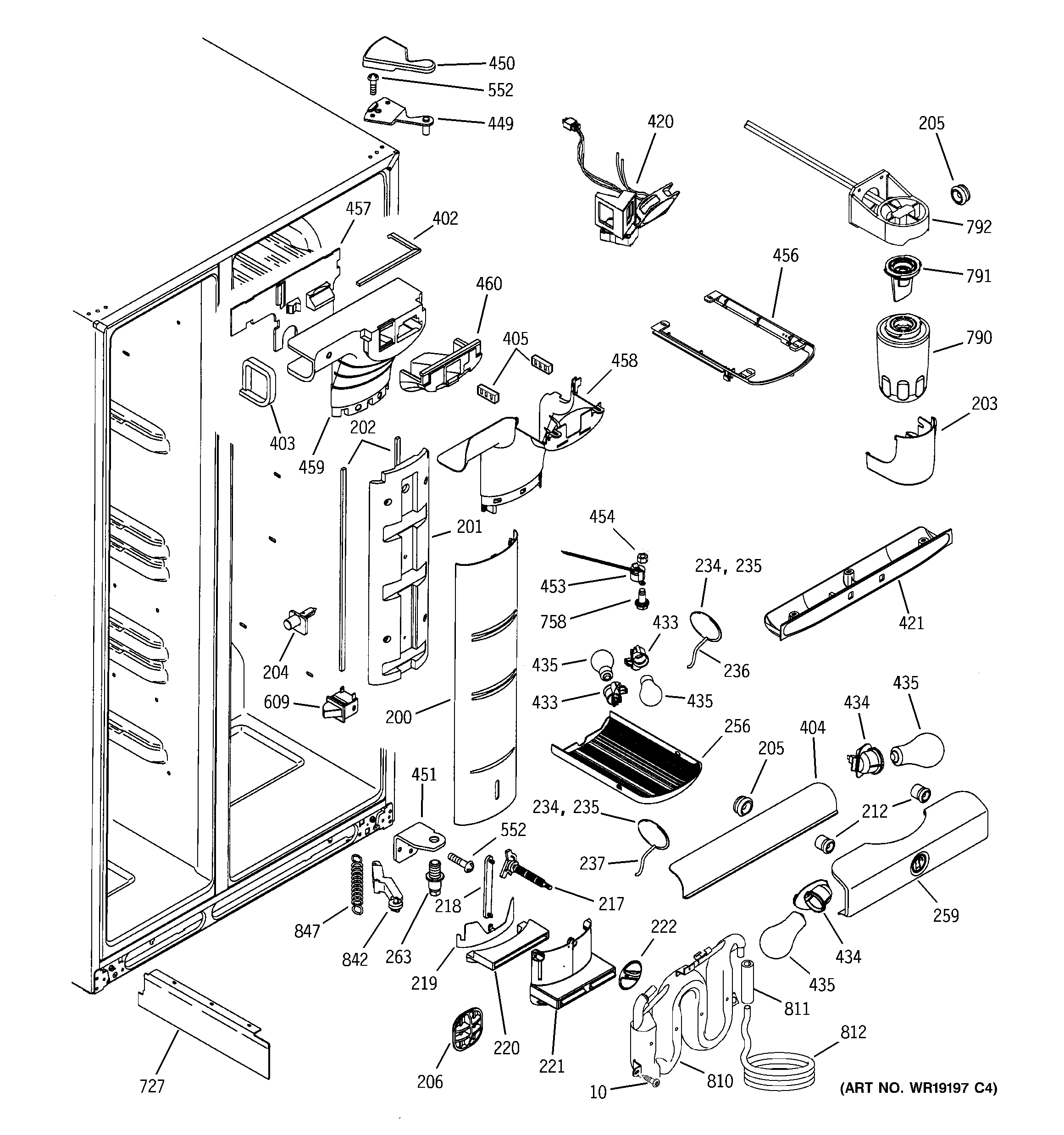
PositionProduct
10WR01X10065 GE Screw
200WR17X10802 GE Refrigerator Tower Cover
201WR17X10803 GE Refrigerator EPS Tower E01
202WR14X10062 GE Ff Tow E01 Gasket
203WR17X10800 GE Refrigerator Water Cover
204GEN WR02X10676
205WR02X10678 GE Refrigerator Grommet
206WR02X10671 GE Refrigerator Air Return Grille
212WR02X10689 GE Refrigerator Base Grille Grommet
217WR32X10154 GE Refrigerator Dial Chill Pan
218WR02X10665 GE Refrigerator Chill Linkage Pan
219WR02X10664 GE Refrigerator Chill Pan Shutter
220GEN WR02X10644
221WR02X10641 GE Refrigerator Chill Discharge Pan
222WR02X10666 GE Refrigerator Chill Pan Knob
234WR02X10647 GE Refrigerator Grille Sensor
235WR02X10668 GE Refrigerator Shunt Sensor
236WR55X10025 GE Refrigerator Temperature Sensor
256GEN WR17X11266
259GEN WR17X10801
263WR02X12263 GE Refrigerator Pin Hinge Bottom Adjuster HOLLOW
404WR17X11609 GE Refrigerator Air Flow Diverter
405WR49X10091 GE Refrigerator Fresh Food Damper Inlet Cover Kit
421GEN WR55X10208
433WR2X9391 GE Socket and Terminal
434WR02X10645 GE Refrigerator Lamp Socket
435RANGE ONLY 40W 120V APPL BULB
449WR13X10215 GE Refrigerator Top Hinge & Pin
450WR02X10832 GE Refrigerator Black Cover Hinge
451WR13X10167 GE Refrigerator Bottom Hinge Black
453WR23X10209 GE Refrigerator Thermostat Assembly
454WR01X10212 GE Refrigerator 8-32 Nut
456WR71X10290 GE Refrigerator Light Bezel
552WR01X10631 GE Screw
609REFRIGERATOR DOOR LIGHT SWITCH
727GEN WR17X10820
758WD2X323D GE Dishwasher Screw Package
790MWFP GE Replacement Water Filter Pureline for Refrigerator
791WR17X22070 GE Water Filter Bypass Plug
792MWF MANIFOLD
810WR17X11440 GE Refrigerator Water Tank Assembly
811WR02X11288 GE Refrigerator Insulation Tube Foam
812WR17X2891 GE Refrigerator 5/16" X 6FT Plastic Water Line Tubing
842LEVER ASM FF
847WR1X2027 GE Refrigerator Spring Closure