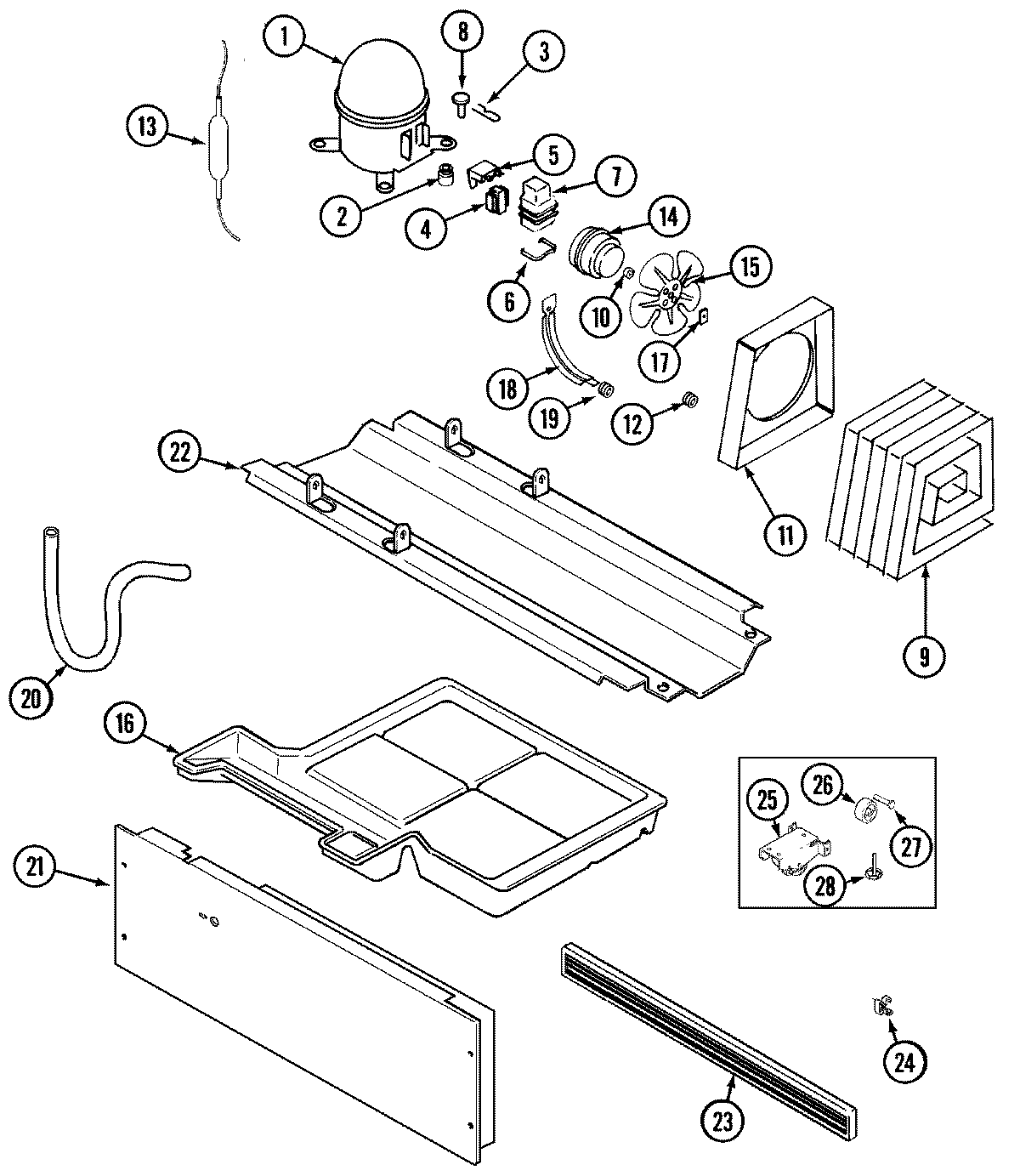
PTB1953DRQ 01 – COMPRESSOR (BISQUE)