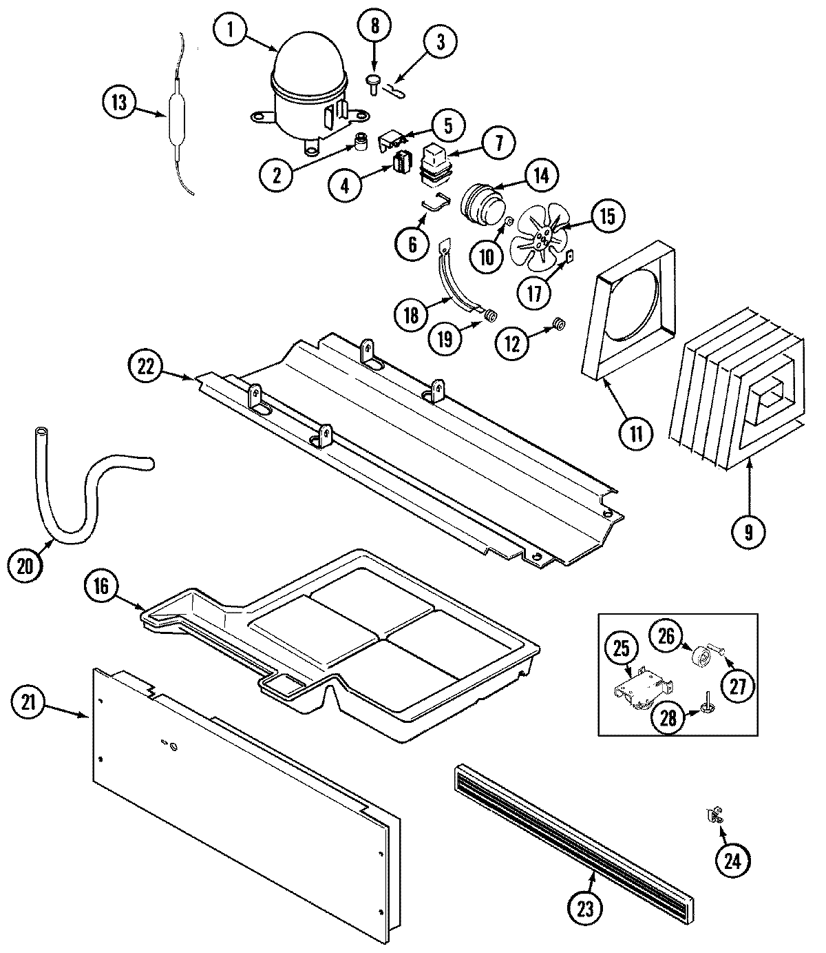
PTB2453DRQ 01 – COMPRESSORadmin2025-04-26T09:06:58+00:00PTB2453DRQ 01 – COMPRESSOR ProductsPositionProduct1MAY 610020121MAY 120013741MAY 120018142MAY 17245-42WP4387558 Whirlpool Refrigerator Compressor Grommet3MAY 610030994MAY 610052504WP10097204 Whirlpool Start Relay5WP2183456 Whirlpool Refrigerator Overload5MAY 610020376MAY 65886-17WP61002138 Whirlpool Refrigerator Terminal Cover7MAY 66589-18MAY 52656-29MAY 610043789MAY 6100281110MAY 6100168611MAY 6100194112MAY 6100203313WPW10143759 Whirlpool Dryer Filter14MAY 6100101614MAY 65275-3315MAY 60683-116MAY 6100264916WP489478 Whirlpool Refrigerator Screw17WP486692 Whirlpool Refrigerator Nut18MAY 69181-119GROMMET, BRACKET20MAY 6100221421MAY 6100506121MAY 65275-121MAY 65275-522MAY 6100337122WP67006715 Whirlpool Refrigerator Screw22MAY 6100526823MAY 6100490124MAY 6100197525MAY 6100521625SCREW26WP61003826 Whirlpool Wheel27WP61002104 Whirlpool Refrigerator Pin Wheel28MAY 6100201429MAY 6100454830MAY 16008248