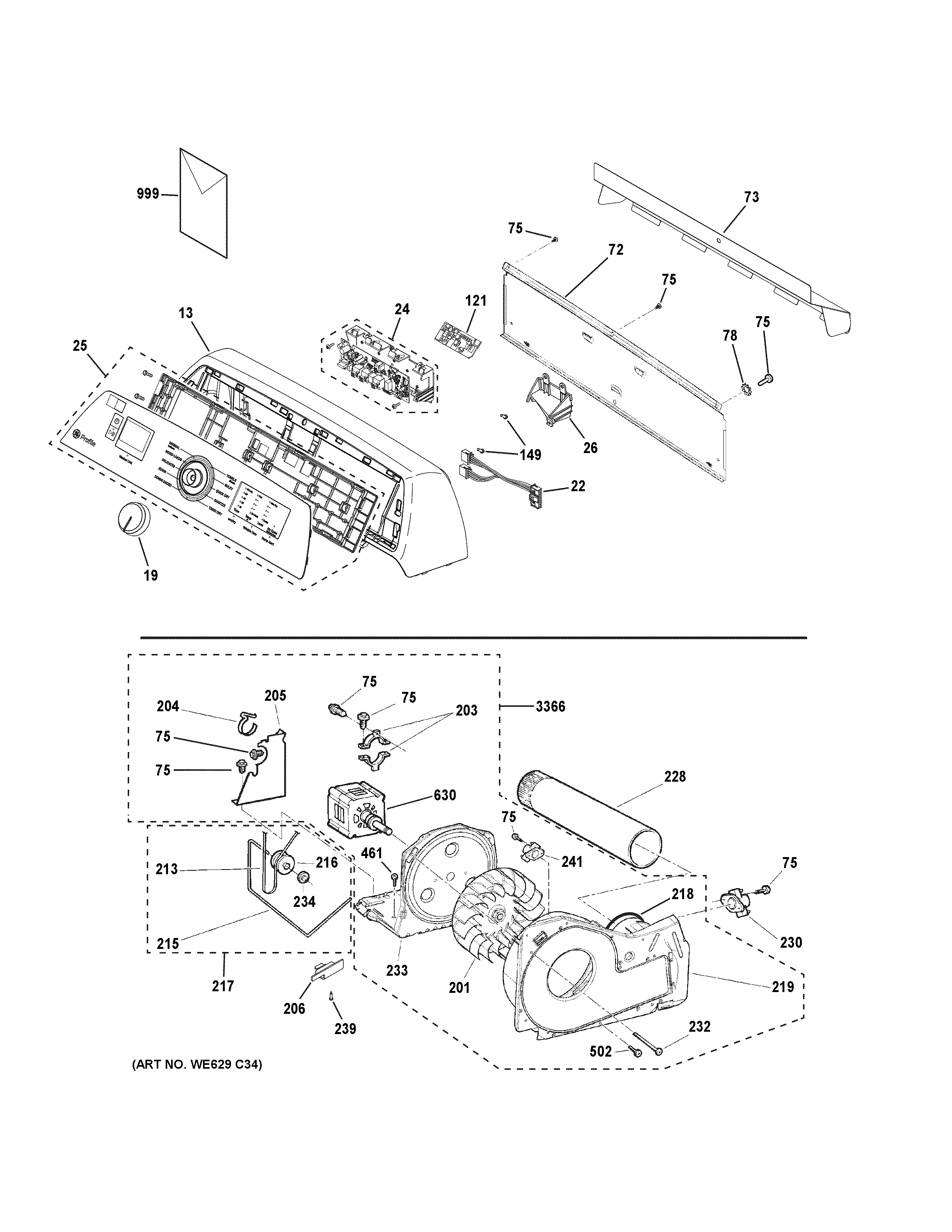
PTD60EBSR1WS BACKSPLASH, BLOWER & MOTOR ASSEMBLYadmin2025-04-26T09:48:45+00:00PTD60EBSR1WS BACKSPLASH, BLOWER & MOTOR ASSEMBLY ProductsPositionProduct13WE10X33197 GE Control Panel Housing White19WH01X35377 GE Selector Knob22WE08X33257 GE UI Harness Assembly24WE22X34377 GE Main Board and Instructions25WE22X36197 GE User Interface Board Assembly26WE01X33125 GE Support Bracket Board72WE20X24556 GE Back Panel73WE1M723 GE Heat Shield Rear75WE01X25535 GE Screw78WE01X26154 GE Washer121WH22X36577 GE Wi-Fi and Bluetooth Board with Instructions149WR01X10196 GE Refrigerator Screw 8-18 HID02201WH16X34317 GE Blower Wheel203WE13X30697 GE Washer Motor Strap204WE1X921 GE Motor Strap205WE13M39 GE Motor Support206BRACKET IDLER213WE03X29897 BELT DRIVE215WE03X20434 GE Washer Idler Arm216PULLEY217WE03X27417 GE Idler Arm Assembly218WE09X27636 GE Exhaust Blower Gasket219WE13X29560 GE Blower Housing228WE01X23893 GE Exhaust Duct230WE04X31007 GE Thermostat232WE2M202 GE Screw233WE03X23858 GE Motor Plate234GEN WE2M96?239WE2X21854 GE Screw241WE4M448 GE Washer Thermistor461WZ5X158D GE Screw Package of 12502WE2M174 GE Screw #10630KIT MOTOR DRIVE AND PULLEY 27999PM OWNERS AND INSTALL999PM INSTALL INSTRUCTIONS999PM MINI MANUAL AND WIRING3366WE03X29258 GE Motor and Blower