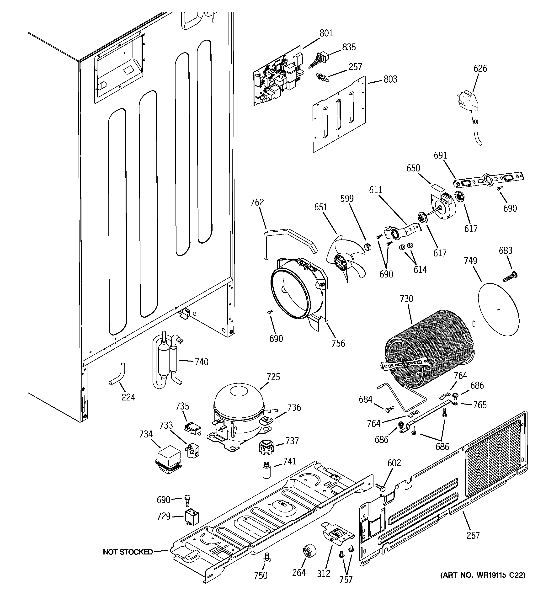
| 224 | TUBE DRAIN |
| 257 | WR02X10663 GE Refrigerator Standoff |
| 264 | WR02X10695 GE Refrigerator Wheel |
| 267 | GEN WR82X10100 |
| 312 | WR02X12288 GE Refrigerator Back Mobility Assembly |
| 599 | WR02X12149 GE Refrigerator Ring |
| 602 | WR01X10617 GE Refrigerator Screw 1/4-14 AB IHW 3/4 S |
| 611 | WR02X11863 GE Refrigerator Condenser Fan Bracket (Mounting) |
| 614 | BUMPER |
| 617 | WR02X10520 GE Refrigerator Fan Motor Grommet |
| 626 | WR23X10468 GE Refrigerator Power Cord Assembly |
| 650 | WR60X10209 GE Refrigerator DC Condenser Fan Motor |
| 651 | WR60X24484 GE Refrigerator Condenser Fan Blade |
| 683 | WR02X10562 GE Push Fastener |
| 684 | GEN WB01T10047 |
| 686 | WR01X10654 GE Refrigerator Screw 10-32 TT HXW 5/16 S |
| 690 | WZ5X158D GE Screw Package of 12 |
| 691 | WR02X10593 GE Refrigerator Bracket Condenser Fan (Rear) |
| 725 | WR87X26271 GE Refrirator Compressor Replac |
| 729 | WR62X10013 GE Refrigerator Capacitor |
| 730 | WR84X10022 GE Refrigerator Condenser Replacement Kit |
| 733 | GEN WR07X10016 |
| 734 | GEN WR02X10556 |
| 735 | WR08X10041 GE Refrigerator Overload |
| 736 | GEN WR02X8203 |
| 737 | WR02X22869 GE Refrigerator Grommet |
| 740 | WR86X25269 GE Refrigerator R134 Dryer |
| 741 | WR1X1779 GE Refrigerator Stud Mounting Compressor |
| 749 | WR17X13159 GE Refrigerator Baffle Condenser Air |
| 750 | WR1X1786 GE Refrigerator Screw |
| 756 | WR17X12668 GE Refrigerator Condenser Shroud |
| 757 | WR01X10622 GE Refrigerator Screw 10-32 B IHXW 1/2 |
| 762 | WR14X10053 GE Refrigerator Foam Strip Adhesive |
| 764 | WR2X9000 GE Refrigerator Condenser Clip |
| 765 | WR17X10695 GE Refrigerator Bracket Condenser Bar |
| 801 | WR55X26733 GE Refrigerator Control Board |
| 803 | GEN WR02X12027 |
| 835 | GEN WR23X10509 |