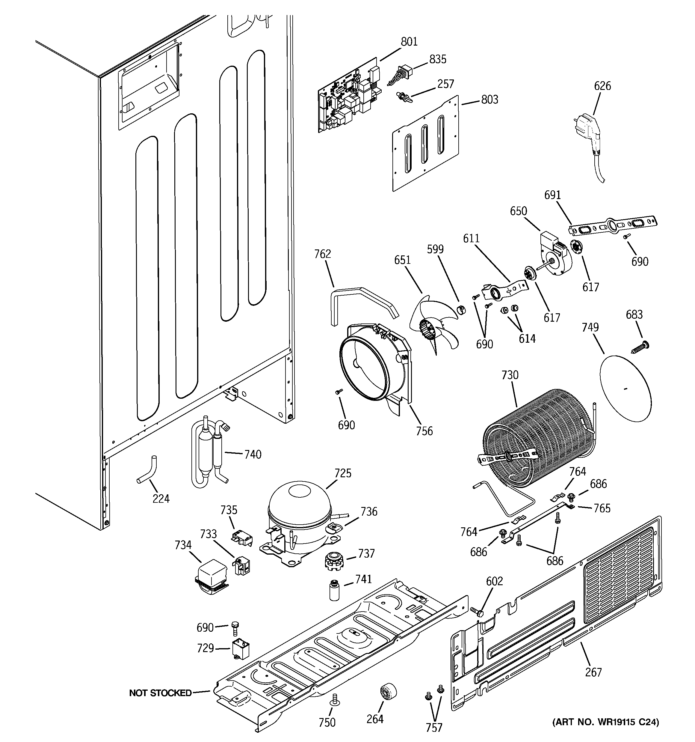
PTE25SBTJRSS UNIT PARTS

PTE25SBTJRSS UNIT PARTS