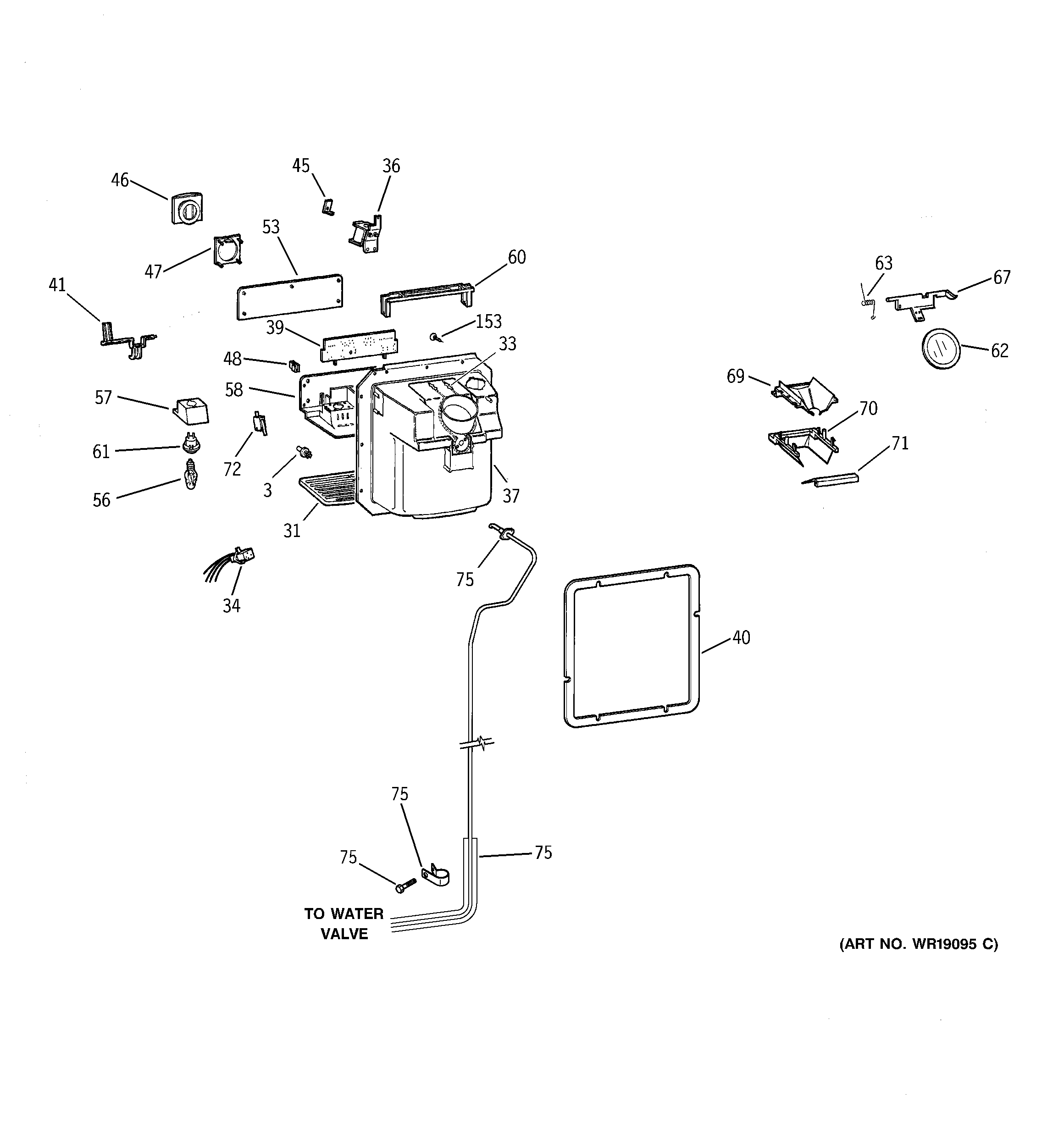
| 3 | GEN WR02X8669 |
| 31 | GEN WR17X4152 |
| 33 | GEN WR23X10094 |
| 34 | GEN WR23X0456 |
| 36 | WR62X107 GE Refrigerator Water Dispenser Solenoid Door |
| 37 | GEN WR17X4258 |
| 39 | GEN WR55X0129 |
| 40 | GEN WR14X0483 |
| 41 | GEN WR17X3493 |
| 45 | WR2X8818 GE Refrigerator Retainer |
| 46 | GEN WR02X8702 |
| 47 | GEN WR02X8681 |
| 48 | GEN WR02X8723 |
| 53 | GEN WR04X10065 |
| 56 | GEN 7C7 |
| 57 | GEN WR02X8725 |
| 58 | GEN WR17X3139 |
| 60 | GEN WR02X8674 |
| 61 | GEN WR02X8662 |
| 62 | WR17X11653 GE Refrigerator Ice Door Flap Assembly |
| 63 | GEN WR02X8663 |
| 67 | WR17X3089 GE Refrigerator Door Crank |
| 69 | GEN WR17X3095 |
| 70 | GEN WR02X9471 |
| 71 | GEN WR17X3478 |
| 72 | GEN WR23X0366 |
| 75 | GEN WR01X10118 |
| 75 | GEN WR02X10320 |
| 75 | WE02X10011 GE Screw |
| 75 | GEN WR02X8933 |
| 153 | WR1X1505D GE Refrigerator Screw Package of 12 |