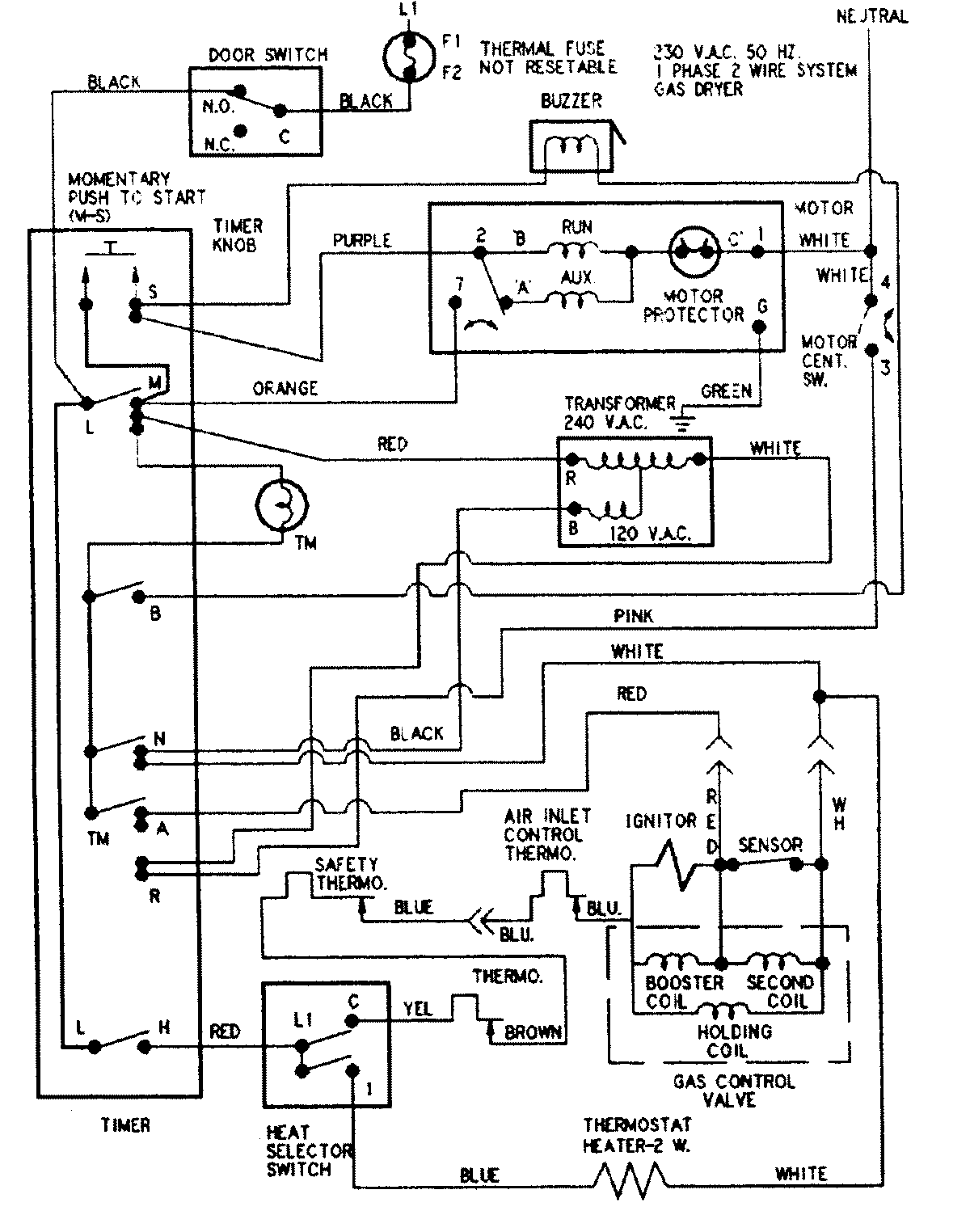
PYG2300AGW 08 – WIRING INFORMATIONadmin2025-04-26T09:05:32+00:00PYG2300AGW 08 – WIRING INFORMATION ProductsPositionProductNIMAY 15002597