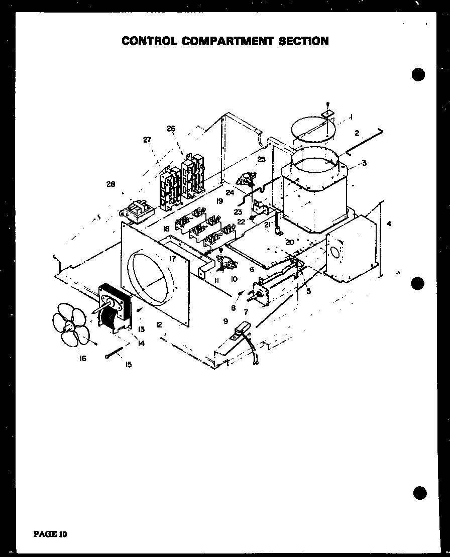
QDO-695H 03 – CONTROL COMPARTMENT SECTIONadmin2025-04-26T09:05:55+00:00QDO-695H 03 – CONTROL COMPARTMENT SECTION ProductsPositionProduct1MAY Y00405532MAY 78-02-0503MAY 00479334MAY 44-01-6935MAY 78-02-0526MAY 32-02-1647MAY 74-03-0869MAY 74-03-08310MAY 74-03-09111MAY 44-01-65212MAY 44-01-65114MAY 74-09-02215MAY 71-01-11316MAY 78-06-00717MAY 71-09-01118MAY 71-03-01319MAY 74-08-08620MAY 44-01-69121MAY 78-03-01922MAY 71-02-08823MAY 32-02-15824MAY 78-02-05125MAY 74-03-07727MAY 74-03-08128MAY 74-03-084