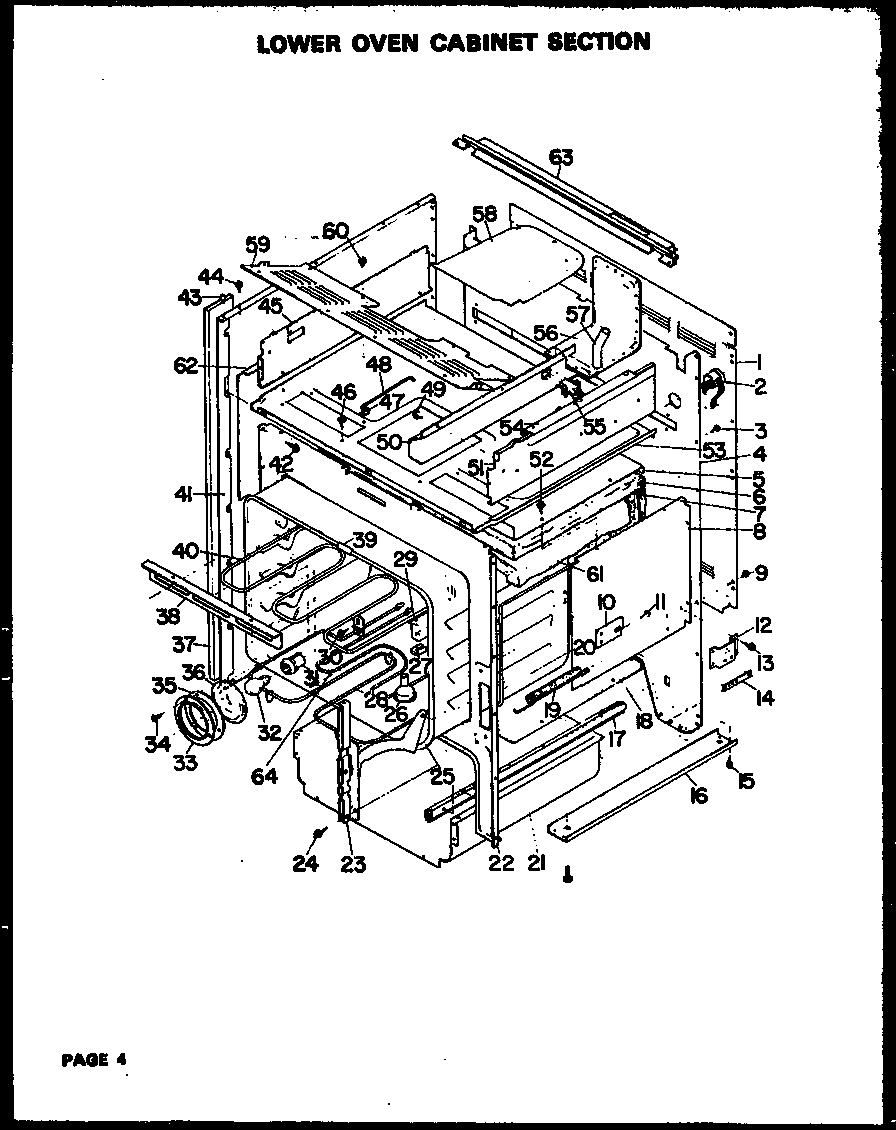
QMD-800 05 – LOWER OVEN CABINET SECTIONadmin2025-04-26T09:04:32+00:00QMD-800 05 – LOWER OVEN CABINET SECTION ProductsPositionProductORDER GRAPHICS PANEL FROM THE SOURCE WHERE THE DRYER WAS PURCHASED. INCLUDE THECOMPLETE MODEL AND SERIAL NUMBERS WITH ORDER.NIMAY 56-01-106NIMAY Y00407771MAY Y00407782MAY 77-09-0204MAY 16-09-0935MAY Y00407726MAY 72-01-0447MAY 72-01-04310MAY Y004101712MAY 44-01-67014MAY 44-01-67116MAY Y004102316MAY 71-01-11617MAY 73-02-00918MAY Y004077419MAY 78-03-01820MAY 74-06-17621MAY 12-04-06823MAY Y004705524MAY 71-02-10125MAY Y004705126MAY 74-09-02427MAY 44-01-68028MAY 74-06-18629MAY 44-01-67830MAY 71-02-10231MAY 74-08-06332MAY 74-07-00333MAY 44-01-64535MAY 72-03-08436MAY 79-02-19737MAY 77-04-31437MAY 77-04-31538MAY 44-01-64239MAY 20-06-19640MAY 74-06-18541MAY 16-02-17043MAY 72-04-01645MAY 24-01-11247MAY 71-04-05148MAY 78-02-04350MAY Y004809851MAY 24-01-11153MAY 24-01-11355MAY 004525057MAY 75-06-22358MAY Y004079959MAY Y004077660MAY 71-02-08861MAY 72-01-04262MAY Y004077563MAY 77-04-33664MAY 74-06-200