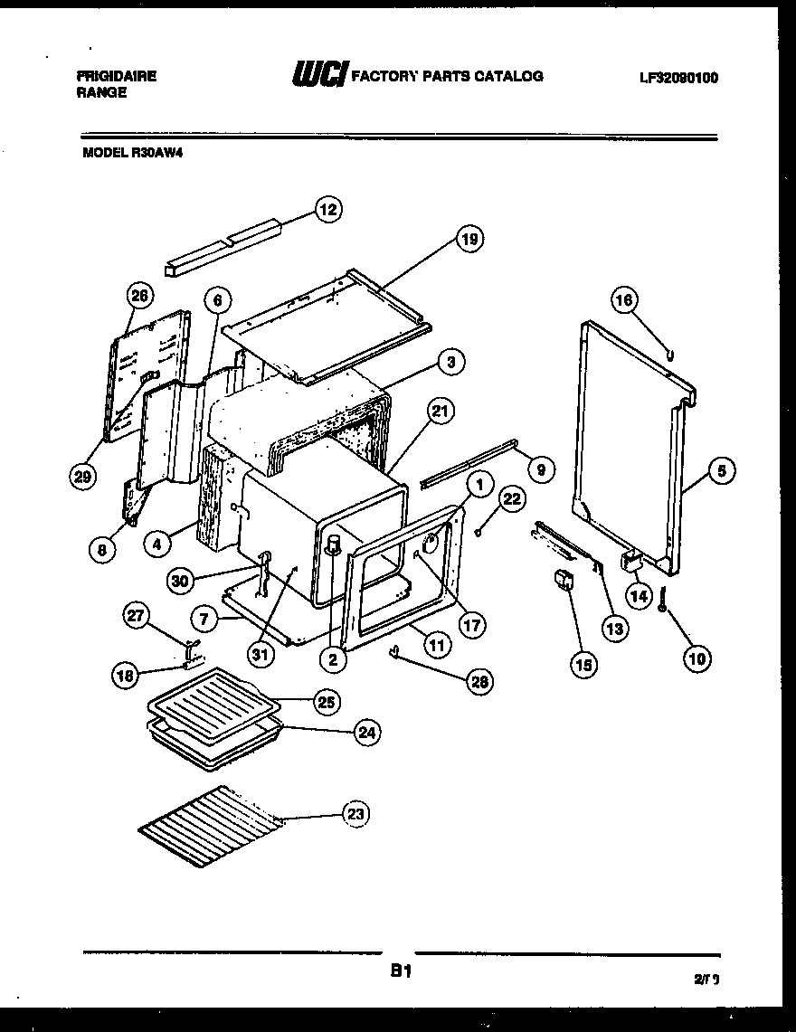
R30AA4 06 – BODY PARTSadmin2025-04-26T10:28:13+00:00R30AA4 06 – BODY PARTS ProductsPositionProduct*29441WCI 5300009126*29441ANTI-TIP KIT, (NON-ILLUSTRATED)1WCI 30175762WCI 080125413INSULATION - OVEN WRAP4INSULATION5WCI 080125335AWCI 080125346PANEL-BACK7WCI 32062758WCI 30174818AWCI 30174829WCI 530320739110LEG, LEVELLER (4)11WCI 530320744612WCI 320609513WCI 530801574613ARAIL, DRAWER LH14SPACER, DRAWER RAIL (2)15GUIDE-DRAWER FRNT (2)16BUMPER, COOKTOP (4)17WCI 3202082185304409888 Frigidaire Oven Terminal Block with Hardware19WCI 0801254221BODY-OVEN22BUTTON-PLUG23316067902 Frigidaire Oven Rack24WCI 320553925GRILLE, BROILER26WCI 53305185627STRAP-GROUND28WCI 301906329WCI 301628130WCI 320163131WCI 3201632