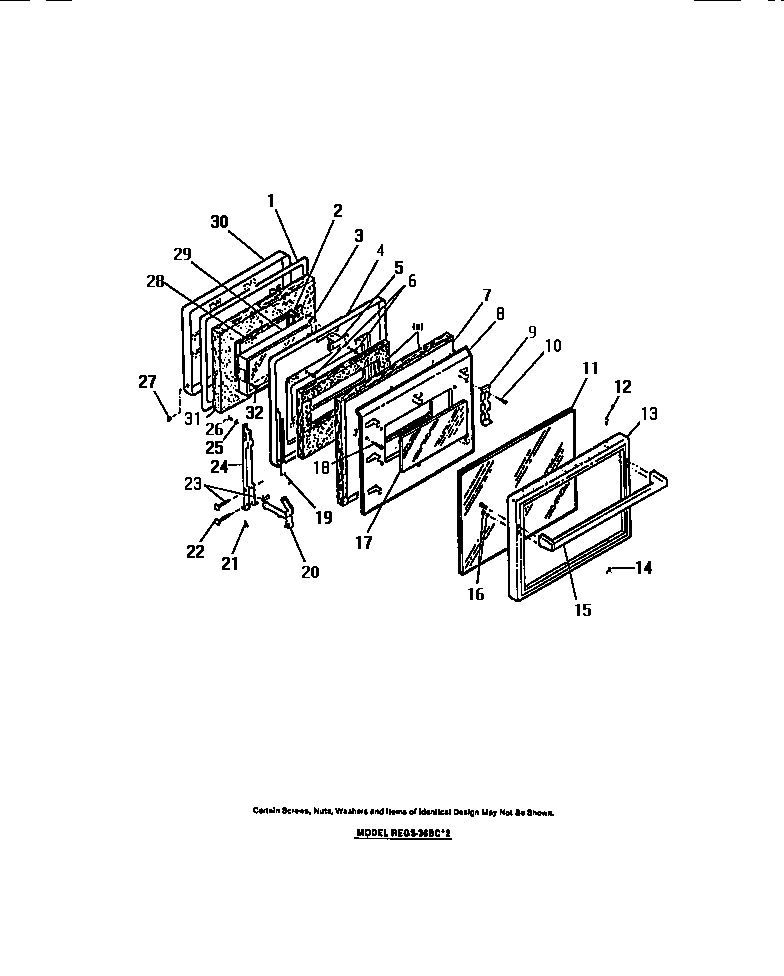
R30BCL1 10 – OVEN DOOR PANELS