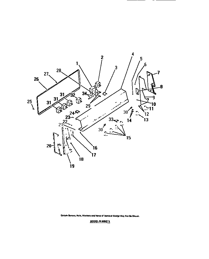
R30BCW1 03 – CONTROL PANEL, COOK-MASTER, SWITCHEadmin2025-04-26T10:28:12+00:00R30BCW1 03 – CONTROL PANEL, COOK-MASTER, SWITCHE ProductsPositionProduct1WCI 80053062WCI 80164803PILOT LIGHT, OVEN, LEFT4WCI 80164787WCI 80125569WCI 801253914WCI 801421415KNOB, SURFACE UNITS (4)16SCREWS (2)17WCI 801253819WCI 801254020WCI 801255722WCI 801255323SCREWS (2)24WCI 800887626WCI 801251327SCREWS (2)28WCI 800325229WCI 801225130WCI 801257832SWITCH, 8`` SURFACE UNIT (2)33WCI 800313534WCI 8008694