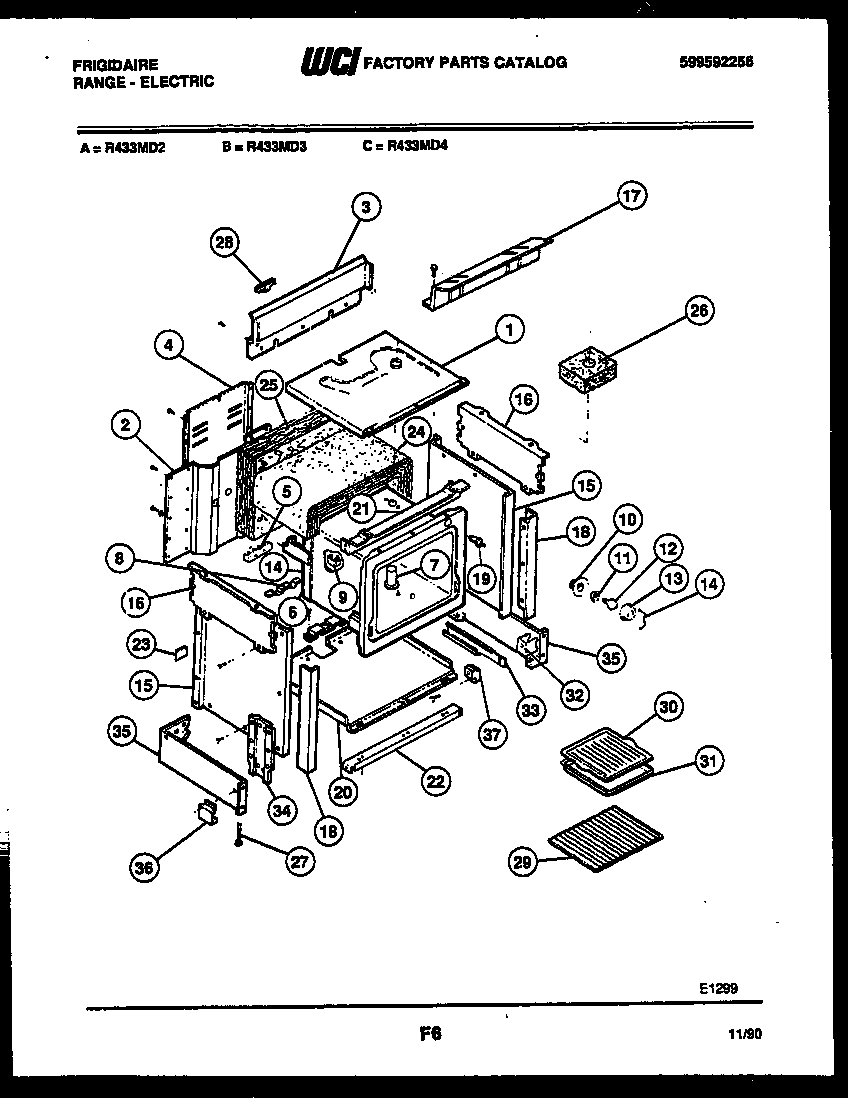
| *29166 | ANTI-TIP KIT |
| 1 | WCI 5303051553 |
| 2 | BACK |
| 3 | BACK-UPPER |
| 4 | PANEL - WIRE COVER |
| 5 | 5304409888 Frigidaire Oven Terminal Block with Hardware |
| 6 | LINER, OVEN |
| 7 | WCI 08003333 |
| 8 | WCI 3203574 |
| 9 | BRACKET-THERMO BULB (2) |
| 10 | WCI 3051511 |
| 11 | 316116400 Frigidaire Oven Light Socket |
| 12 | 316538904 Frigidaire Oven Lamp Light |
| 13 | 5304524341 Frigidaire Lens |
| 14 | RETAINER-LENS |
| 15 | SHIELD-INSULATION (2) |
| 16 | WCI 5308015935 |
| 17 | WCI 5305113502 |
| 18 | WCI 3051777 |
| 19 | WCI 5301314211 |
| 20 | SHIELD-BOTTOM |
| 21 | WCI 3206425 |
| 22 | WCI 08012722 |
| 23 | PLATE-FILLER |
| 24 | INSULATION - OVEN WRAP |
| 25 | INSULATION |
| 26 | INSUL.-VENT TUBE |
| 27 | SCREW-LEVELING (4) |
| 28 | BRACKT-HNG SUPT |
| 29 | 316067902 Frigidaire Oven Rack |
| 30 | WCI 3131356 |
| 31 | WCI 5303207208 |
| 32 | SPACER, DRAWER RAIL (2) |
| 33A | GLIDE - DWR RH |
| 33 | GLIDE - DWR LH |
| 34 | SUPPORT-FRONT (2) |
| 35A | WCI 5301324082 |
| 35 | WCI 5301324083 |
| 36 | SHIELD-TOE (2) |
| 37 | GUIDE-DRAWER FRNT (2) |