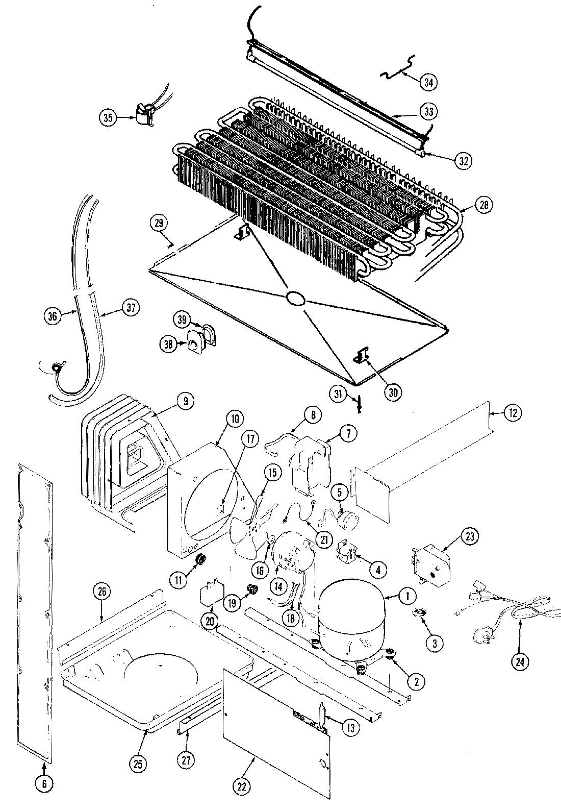
RB150PA 06 – UNIT COMPARTMENT & SYSTEMadmin2025-04-26T09:05:37+00:00RB150PA 06 – UNIT COMPARTMENT & SYSTEM ProductsPositionProduct1MAY RA10112MAY 17245-43MAY 62165-142154436 Whirlpool Refrigerator Start Relay5MAY 69105-106MAY 60110-17MAY 66589-28MAY 65886-19MAY RA43871-19MAY 60408-110MAY 66228-111MAY 53351-111MAY 414001-112MAY 66493-113MAY 1390014MAY 67560-714MAY 65275-3315MAY 60683-116MAY 19913-417MAY 19914-118MAY 66225-119MAY 56933-120WP2262343 Whirlpool Refrigerator/Freezer Capacitor21MAY 29675-322WP488729 Whirlpool Refrigerator Door Screw22MAY 66338-123MAY 68233-123MAY 405007-124MAY 52890-226MAY 60555-127WP489478 Whirlpool Refrigerator Screw27MAY 60555-228MAY 69822-129MAY 60101-730MAY 60108-131MAY 26397-932WP60106-34 Whirlpool Refrigerator Heater33MAY 60109-434MAY 60263-135WP52085-28 Whirlpool Thermostat36MAY 65013-437MAY 65398-137MAY 66223-138MAY 60068-139MAY 60177-239MAY 60069-139MAY 69291-140MAY 108340-1