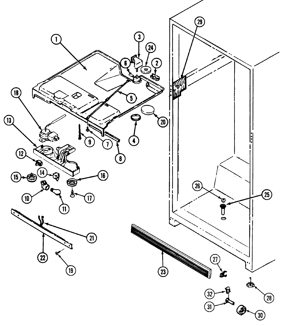
RB150RLW 02 – FRESH FOOD COMPARTMENTadmin2025-04-26T09:04:52+00:00RB150RLW 02 – FRESH FOOD COMPARTMENT ProductsPositionProduct1MAY 69407-12MAY 69623-13MAY 67915-14MAY 67493-15MAY 69418-36MAY 67636-17MAY 420005-17MAY 65275-138MAY 69413-19MAY 65275-7810MAY 68974-311MAY 68123-112MAY 69283-113MAY 69421-413MAY 405016-3613MAY 69752-114W11384469 Whirlpool Door Switch15MAY 69417-516MAY 69417-617MAY 65275-3818MAY 68601-418MAY 406013-119MAY 65275-6720MAY 69037-121MAY 69617-121MAY 69287-122MAY 69420-1-WW23MAY 70128-124MAY 68989-125MAY 54531-826MAY 65039-127MAY 69940-128W11117769 Whirlpool Refrigerator Leveler29MAY 69416-229MAY 69416-130MAY 69812-131MAY 29835-232MAY 60216-1