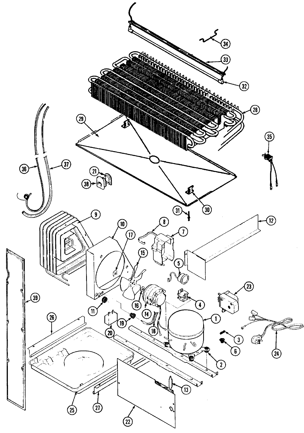
RB150RLW 05 – UNIT COMPARTMENT & SYSTEMadmin2025-04-26T09:05:44+00:00RB150RLW 05 – UNIT COMPARTMENT & SYSTEM ProductsPositionProduct1MAY RA1032-12MAY 17245-43MAY 62165-13MAY 414011-142154436 Whirlpool Refrigerator Start Relay5MAY 69105-106MAY 52656-27MAY 66589-28MAY 65886-19MAY RA43871-19MAY 60408-210MAY 66228-110MAY 414001-111MAY 53351-112MAY 66493-113MAY 1390014MAY 65275-3314MAY 67560-715MAY 60683-116MAY 19913-417WP486692 Whirlpool Refrigerator Nut18MAY 66225-119MAY 56933-120WP2262343 Whirlpool Refrigerator/Freezer Capacitor21MAY 60069-122WP488729 Whirlpool Refrigerator Door Screw22MAY 66338-123MAY 405007-123MAY 69543-224MAY 52890-226MAY 60555-127MAY 60555-227WP489478 Whirlpool Refrigerator Screw28MAY 69822-129MAY 60101-730MAY 60108-131MAY 26397-932WP60106-34 Whirlpool Refrigerator Heater33MAY 60109-434MAY 60263-135WP52085-28 Whirlpool Thermostat36MAY 65013-437MAY 68186-137MAY 66223-138MAY 70164-138MAY 60068-139MAY 60177-239MAY 65275-5039MAY 60110-140MAY 108340-1