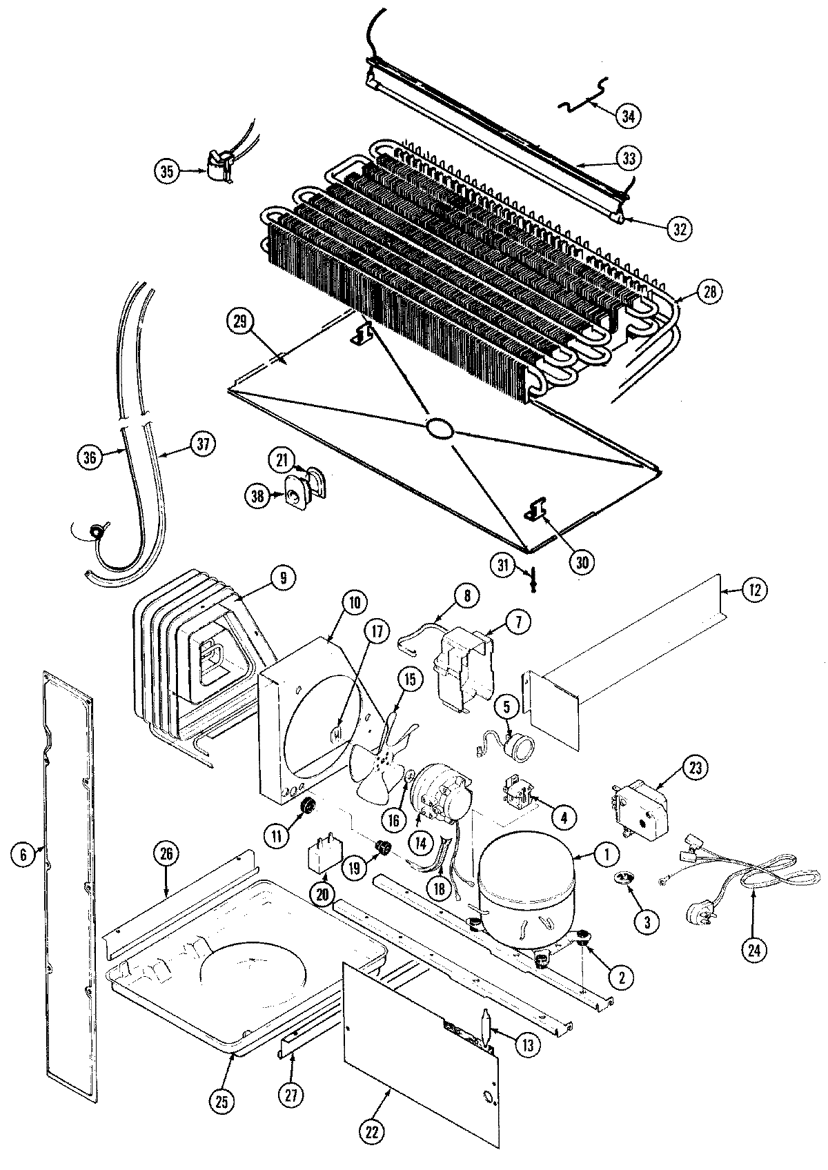
RB150TV 05 – UNIT COMPARTMENT & SYSTEM