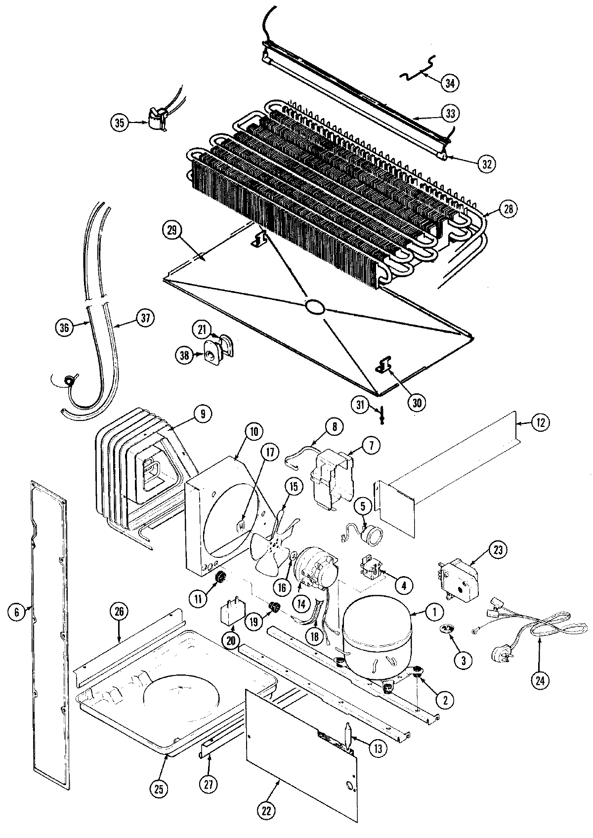
RB150TW 06 – UNIT COMPARTMENT & SYSTEMadmin2025-04-26T09:04:56+00:00RB150TW 06 – UNIT COMPARTMENT & SYSTEM ProductsPositionProduct1MAY RA10321MAY RA1011-12MAY 17245-43MAY 414011-13MAY 62165-14WP10097202 Whirlpool Refrigerator Start Device42154436 Whirlpool Refrigerator Start Relay5MAY 610029735MAY 69105-1054388953 Whirlpool Overload Relay6MAY 60110-16MAY 65275-507MAY 66589-27MAY 69754-17MAY 610020208MAY 59596-18MAY 610026208MAY 65886-19MAY 60434-39MAY 60408-210MAY 66228-111MAY 53351-112MAY 66493-113MAY 1390014MAY 408015-114MAY 6100156214MAY 68445-315WP12587601 Whirlpool Refrigerator Condenser Blade16MAY 69063-117MAY 19914-018MAY 69181-119MAY 56933-120WP65889-4 Whirlpool Refrigerator Capacitor20WP2262343 Whirlpool Refrigerator/Freezer Capacitor21MAY 60069-121MAY 60177-421MAY 6100156621MAY 70164-122WP488729 Whirlpool Refrigerator Door Screw22MAY 66338-323MAY 68233-123MAY 405007-124MAY 52890-226MAY 60555-127MAY 60555-227WP489478 Whirlpool Refrigerator Screw28MAY 69822-129MAY 69118-130MAY 60108-231MAY 26397-932WP60106-34 Whirlpool Refrigerator Heater33MAY 60109-434MAY 68935-135WP52085-28 Whirlpool Thermostat36MAY 65013-436MAY 65013-2636MAY 66223-137MAY 65398-138MAY 60068-139MAY 108340-3