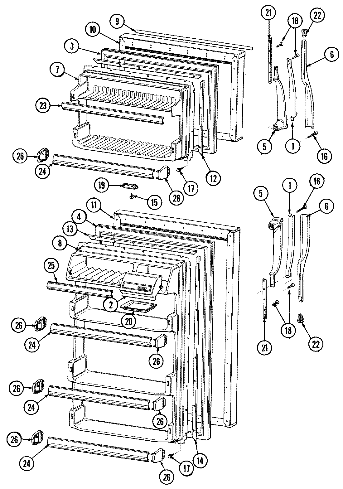
RB151PA-P 01 – DOORSadmin2025-04-26T09:04:39+00:00RB151PA-P 01 – DOORS ProductsPositionProduct1MAY 620010052MAY 620010123MAY 7030-00514MAY 7030-00255MAY 620010046MAY 620010067MAY 620010038MAY 620010119MAY 7030-004110MAY 6200100211MAY 6200100112MAY 7030-002313MAY 7030-000714MAY 7030-002815MAY 7020-002116MAY 6200100717MAY 7020-002318MAY 6200101419MAY 7030-000920MAY 29936-221MAY 6200105922MAY 6200101523MAY 6200100824MAY 6200101025MAY 6200101326MAY 62001009