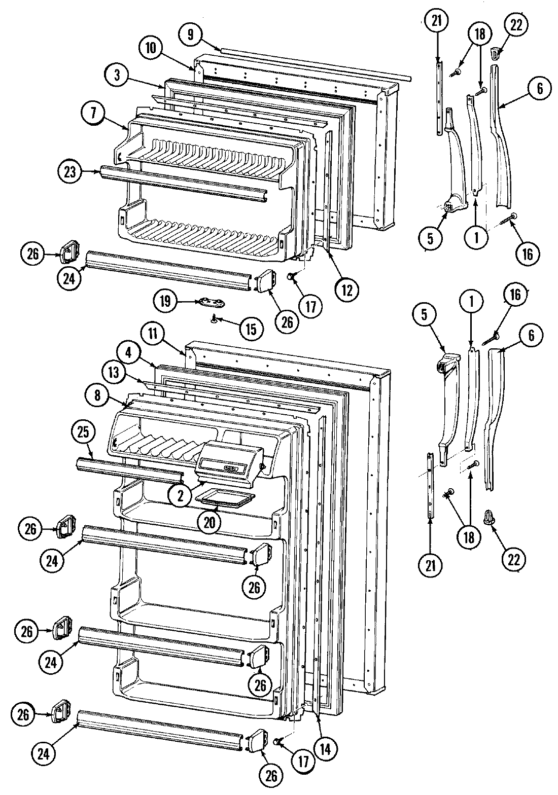
RB151PLW-P 01 – DOORS