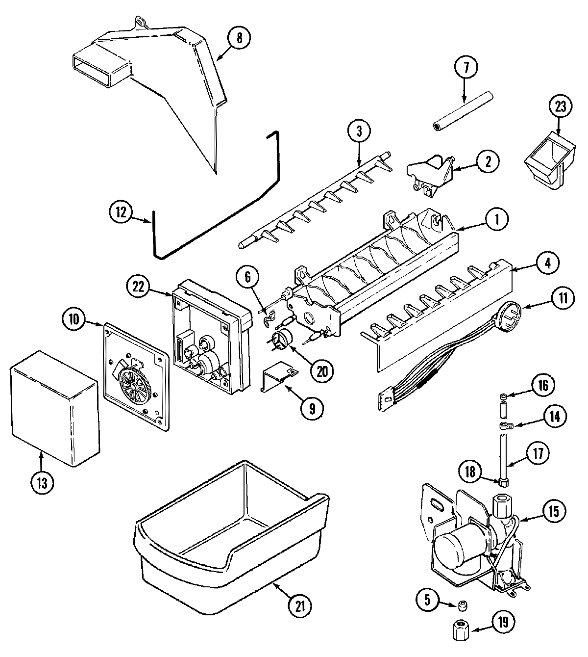
RB151TA 05 – OPTIONAL ICE MAKER KIT-ICEadmin2025-04-26T09:05:29+00:00RB151TA 05 – OPTIONAL ICE MAKER KIT-ICE ProductsPositionProduct1WP99003172 Whirlpool Silicone L1D7824706Q Whirlpool Refrigerator Ice Maker Assembly2WP628356 Whirlpool Refrigerator Fill Cup3WP627843 Whirlpool Refrigerator Ejector Arm4WP2182124 Whirlpool Refrigerator Stripper Arm5WP487627 Whirlpool Refrigerator Sleeve6WP2315522 Whirlpool Refrigerator Clip7MAY 67666-87MAY 67877-18MAY 70198-18MAY 70198-38MAY 70198-29BRACKET, MODULE & HEATER9MAY 95108-110MAY 95109-110MAY 400021-111MAY 70076-112MAY 68112-113MAY 68328-214SCREW14MAY 23197-815MAY 401017-115MAY 6100101916WPM0114003 Whirlpool Microwave Speed Clip Clamp17MAY 67579-618WP627018 Whirlpool Refrigerator Nut19WP245183 Whirlpool Nut20WP627985 Whirlpool Icemaker Cycling Thermostat20MAY 95093-121WP67001255 Whirlpool Ice Bucket22SCREW22WP2195914 Whirlpool Refrigerator Ice Maker Housing23MAY 61001305