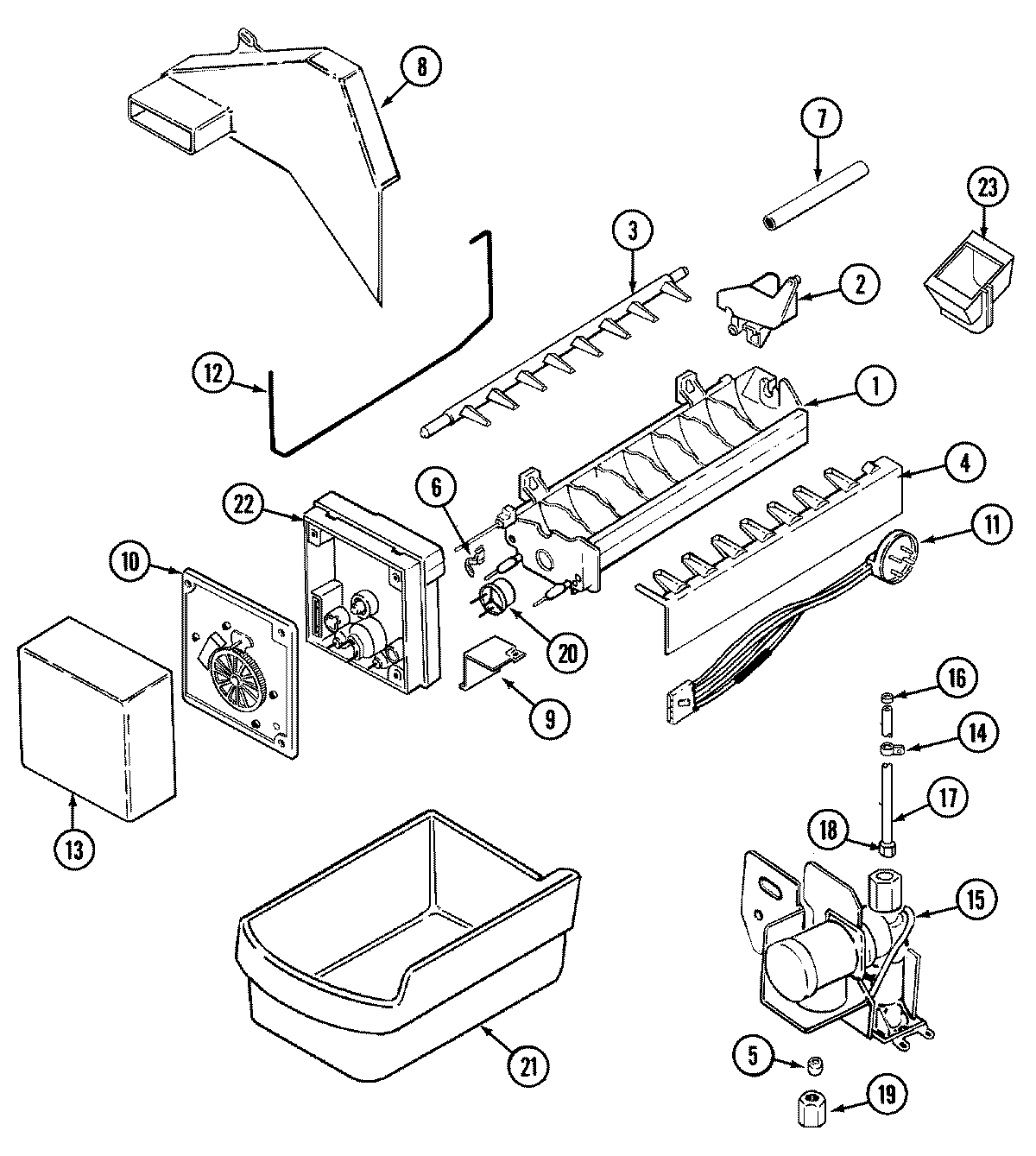
RB151TLV 07 – OPTIONAL ICE MAKER KIT-ICE