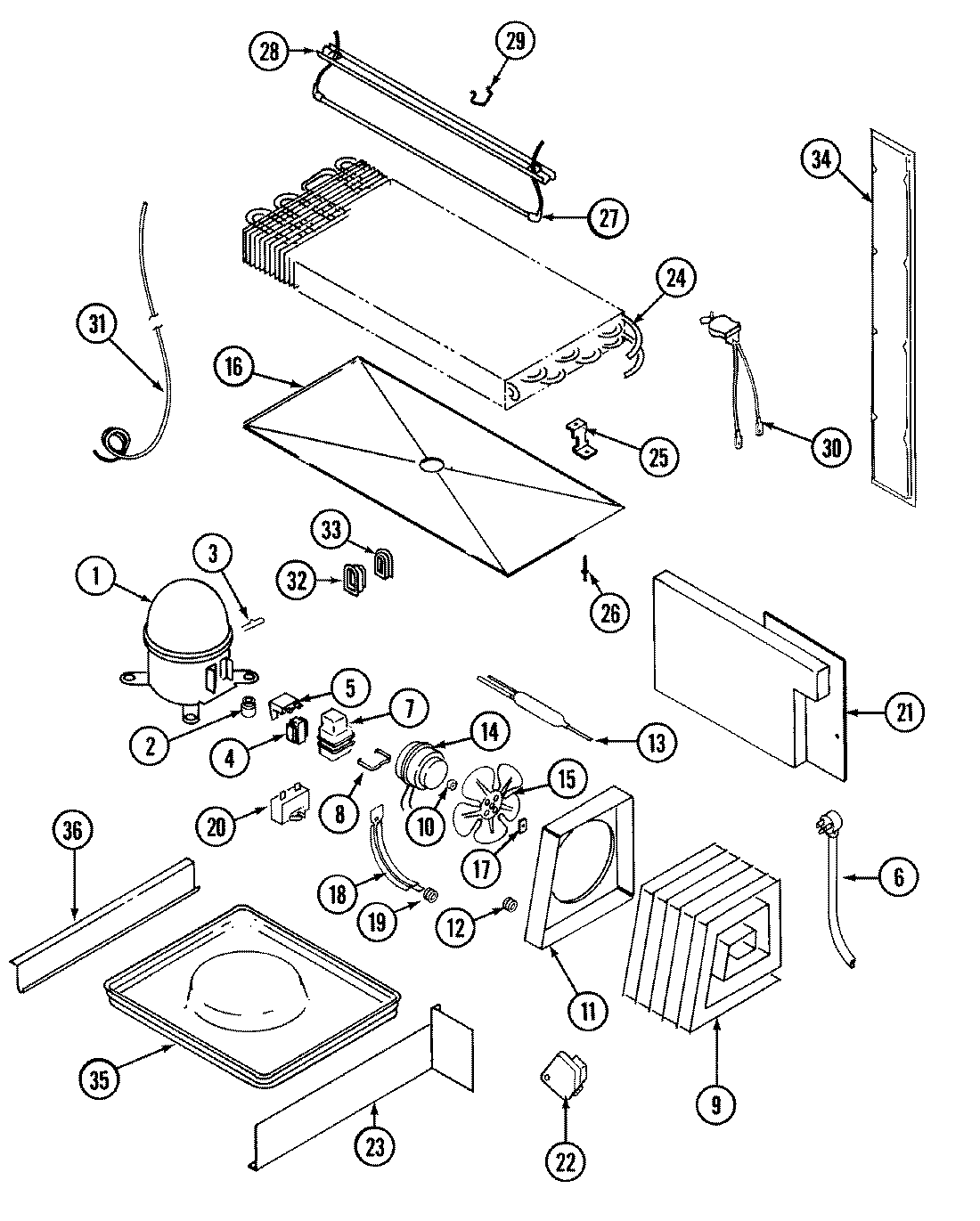
RB151TLV 09 – UNIT COMPARTMENT & SYSTEMadmin2025-04-26T09:05:55+00:00RB151TLV 09 – UNIT COMPARTMENT & SYSTEM ProductsPositionProduct1W10439652 Whirlpool Refrigerator Compressor1MAY RA1011-11MAY RA10322MAY 17245-43MAY 610029703MAY 414011-13MAY 62165-142154436 Whirlpool Refrigerator Start Relay4MAY 610029715MAY 610029735MAY 69105-105MAY 610029726MAY 52890-27MAY 66589-28MAY 65886-19MAY 60434-39MAY 60408-210MAY 69063-111MAY 66228-111MAY 6100120512MAY 53351-113MAY 1390014MAY 408015-114MAY 6100156214MAY 68445-315WP12587601 Whirlpool Refrigerator Condenser Blade16MAY 6100166616MAY 69118-117MAY 19914-018MAY 69181-119MAY 56933-120WP2262343 Whirlpool Refrigerator/Freezer Capacitor20MAY 6100297421MAY 66338-322WP488729 Whirlpool Refrigerator Door Screw22MAY 405007-122MAY 68233-123MAY 400017-3623MAY 66493-124MAY 69822-125MAY 60108-226MAY 26397-927WP60106-34 Whirlpool Refrigerator Heater29MAY 68935-130WP52085-28 Whirlpool Thermostat31MAY 65398-131MAY 65013-2631MAY 66223-131MAY 65013-432MAY 60068-133MAY 6100156033MAY 70162-133MAY 60069-133MAY 60177-433MAY 60109-433MAY 6100156634MAY 60110-134MAY 65275-5036WP489478 Whirlpool Refrigerator Screw36MAY 60555-236MAY 60555-137MAY 108340-3