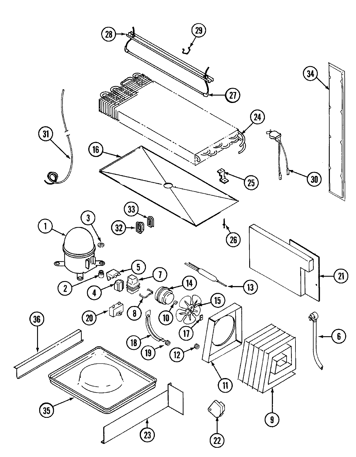
RB153TA 07 – UNIT COMPARTMENT & SYSTEMadmin2025-04-26T09:03:35+00:00RB153TA 07 – UNIT COMPARTMENT & SYSTEM ProductsPositionProduct1MAY RA1011-12MAY 17245-43MAY 62165-142154436 Whirlpool Refrigerator Start Relay5MAY 69105-106MAY 52890-37MAY 66589-28MAY 65886-19MAY 414001-19MAY 60408-29MAY 60434-310MAY 6100168611MAY 66228-112MAY 53351-113WPW10143759 Whirlpool Dryer Filter14MAY 68445-314MAY 65275-3315WP12587601 Whirlpool Refrigerator Condenser Blade16MAY 69118-117WP486692 Whirlpool Refrigerator Nut18MAY 69181-119MAY 56933-120WP2262343 Whirlpool Refrigerator/Freezer Capacitor21MAY 66338-321WP488729 Whirlpool Refrigerator Door Screw22MAY 68233-122MAY 405007-123MAY 66493-124MAY 69822-125MAY 60108-226MAY 26397-927WP60106-34 Whirlpool Refrigerator Heater28MAY 60109-429MAY 68935-130WP52085-28 Whirlpool Thermostat31MAY 65013-431MAY 68186-132MAY 60068-133MAY 60069-134MAY 70162-134MAY 60177-434MAY 65275-5034MAY 60110-136WP489478 Whirlpool Refrigerator Screw36MAY 60555-136MAY 60555-237MAY 108340-338MAY 16000329