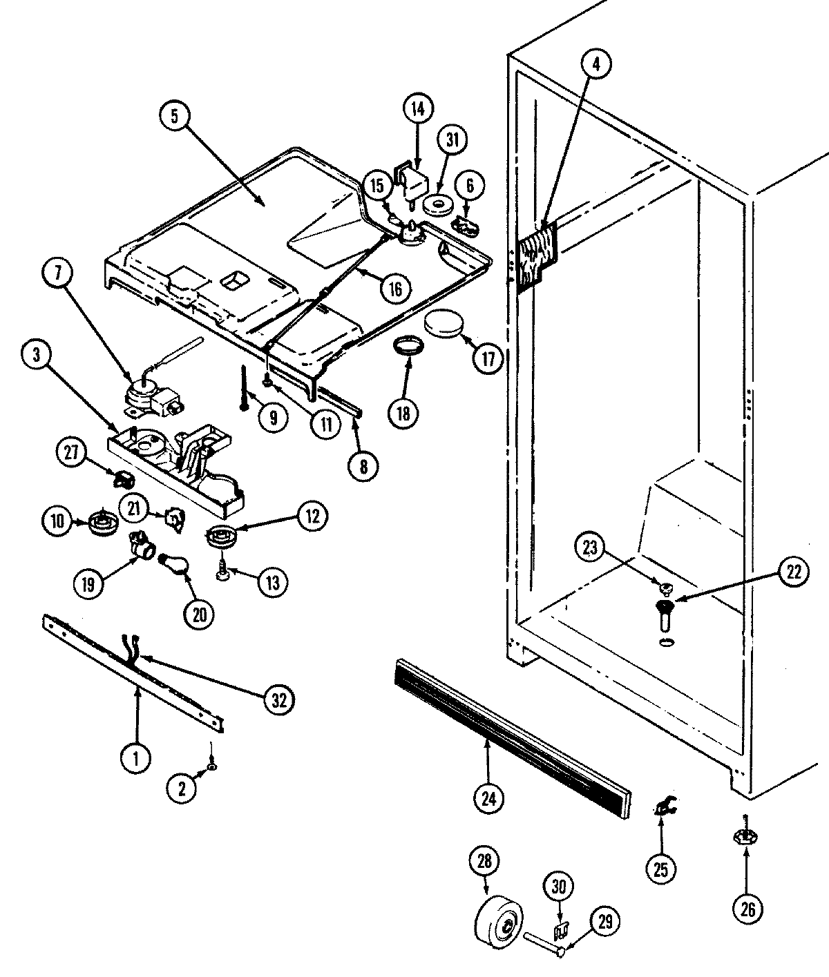
RB170TM 03 – FRESH FOOD COMPARTMENTadmin2025-04-26T09:04:46+00:00RB170TM 03 – FRESH FOOD COMPARTMENT ProductsPositionProduct1MAY 69420-1-AM2MAY 65275-674MAY 69416-14MAY 69416-24MAY 70117-15MAY 69407-16MAY 69623-17MAY 68601-47MAY 406013-18MAY 69413-19MAY 405012-19MAY 65275-7810MAY 69417-911MAY 65275-1312MAY 69417-1013MAY 405016-10314MAY 69811-815MAY 67636-216MAY 69418-317MAY 420005-118MAY 69037-119MAY 68974-320MAY 68123-121W11384469 Whirlpool Door Switch22MAY 54531-723MAY 65039-124MAY 70128-325MAY 69617-226W11117769 Whirlpool Refrigerator Leveler27MAY 69283-128MAY 69812-129MAY 29835-230MAY 60216-131MAY 68989-131MAY 69421-5