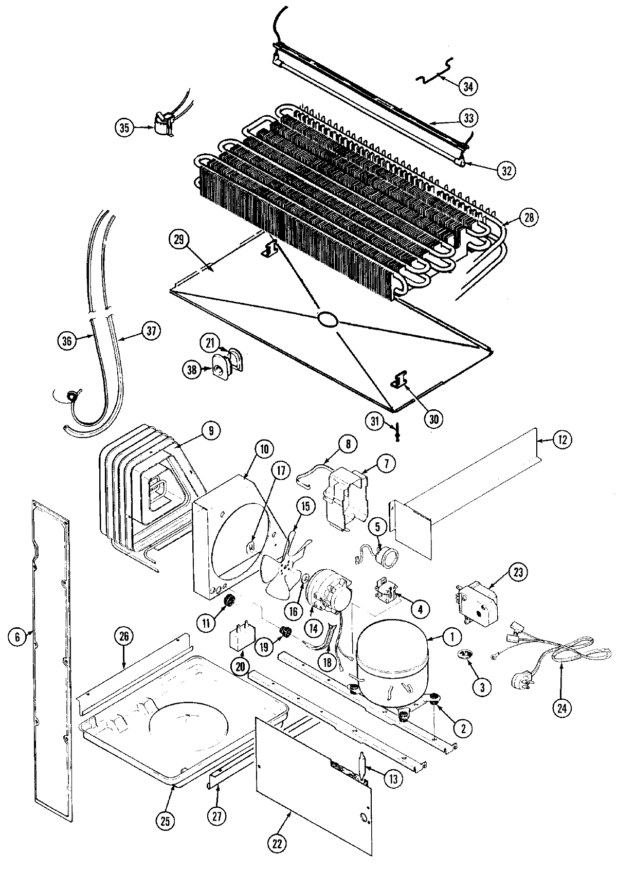
RB170TW 06 – UNIT COMPARTMENT & SYSTEMadmin2025-04-26T09:06:26+00:00RB170TW 06 – UNIT COMPARTMENT & SYSTEM ProductsPositionProduct1MAY RA1011-12MAY 17245-43MAY 62165-13MAY 414011-142154436 Whirlpool Refrigerator Start Relay5MAY 69105-106MAY 65275-506MAY 60110-27MAY 66589-28MAY 59596-19MAY 60408-19MAY RA43871-110MAY 66228-111MAY 53351-112MAY 66493-113WPW10143759 Whirlpool Dryer Filter14MAY 68445-314MAY 408015-115WP12587601 Whirlpool Refrigerator Condenser Blade16MAY 19913-417MAY 19914-018MAY 69181-119MAY 56933-120WP2262343 Whirlpool Refrigerator/Freezer Capacitor21MAY 60177-421MAY 70164-121MAY 60069-122MAY 66338-322WP488729 Whirlpool Refrigerator Door Screw23MAY 68233-123MAY 405007-124MAY 52890-226MAY 60555-127WP489478 Whirlpool Refrigerator Screw27MAY 60555-228MAY 69822-129MAY 69118-130MAY 60108-231MAY 26397-932WP60106-34 Whirlpool Refrigerator Heater33MAY 60109-434MAY 68935-135WP52085-28 Whirlpool Thermostat36MAY 65013-436MAY 66223-137MAY 65398-138MAY 60068-139MAY 108340-3