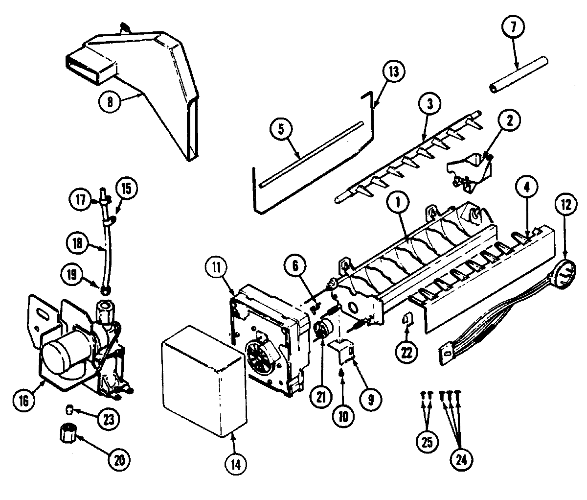
RB171TA 05 – OPTIONAL ICE MAKER