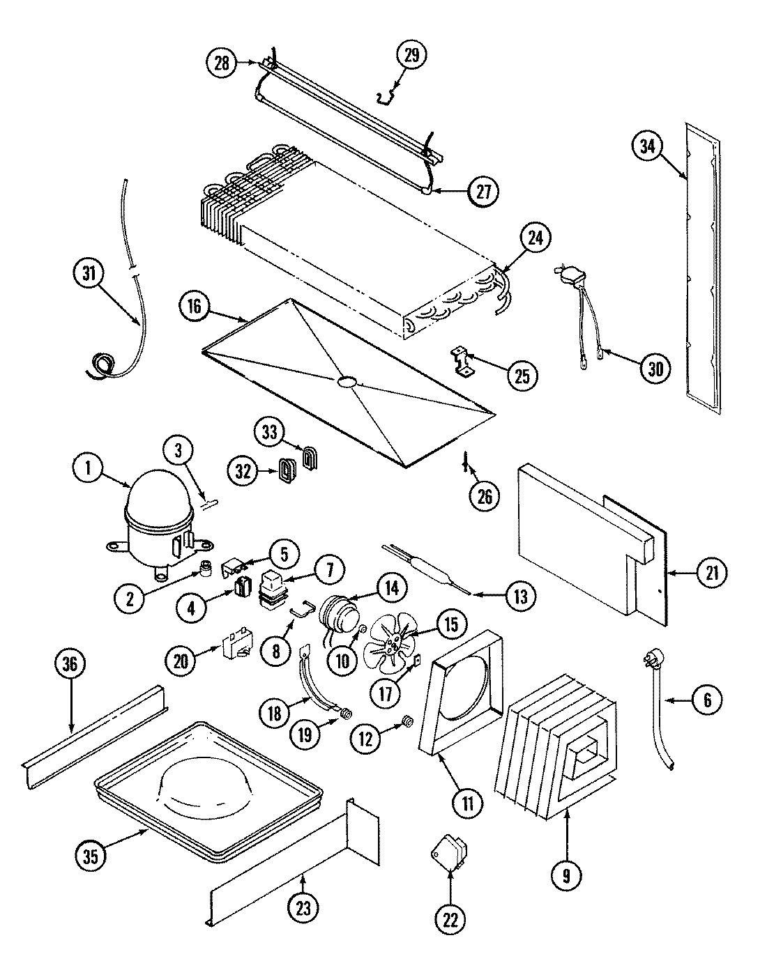
RB171TFA 07 – UNIT COMPARTMENT & SYSTEMadmin2025-04-26T09:09:25+00:00RB171TFA 07 – UNIT COMPARTMENT & SYSTEM ProductsPositionProduct1MAY RA1011-12MAY 17245-43MAY 62165-13MAY 60110-23MAY 414011-142154436 Whirlpool Refrigerator Start Relay5MAY 69105-106MAY 52890-27MAY 66589-28MAY 59596-19MAY 60434-39MAY 60408-110MAY 69063-111MAY 66228-112MAY 53351-113WPW10143759 Whirlpool Dryer Filter14MAY 408015-114MAY 68445-315WP12587601 Whirlpool Refrigerator Condenser Blade16MAY 69118-117MAY 19914-018MAY 69181-119MAY 56933-120MAY 70162-120WP2262343 Whirlpool Refrigerator/Freezer Capacitor21MAY 66338-321WP488729 Whirlpool Refrigerator Door Screw22MAY 68233-122MAY 405007-123MAY 66493-124MAY 69822-125MAY 60108-226MAY 26397-927WP60106-34 Whirlpool Refrigerator Heater28MAY 60109-429MAY 68935-130WP52085-28 Whirlpool Thermostat31MAY 65013-431MAY 66223-132MAY 60068-133MAY 70164-133MAY 60177-433MAY 60069-134MAY 65275-5036MAY 60555-136WP489478 Whirlpool Refrigerator Screw37MAY 60555-237MAY 65398-139MAY 108340-3