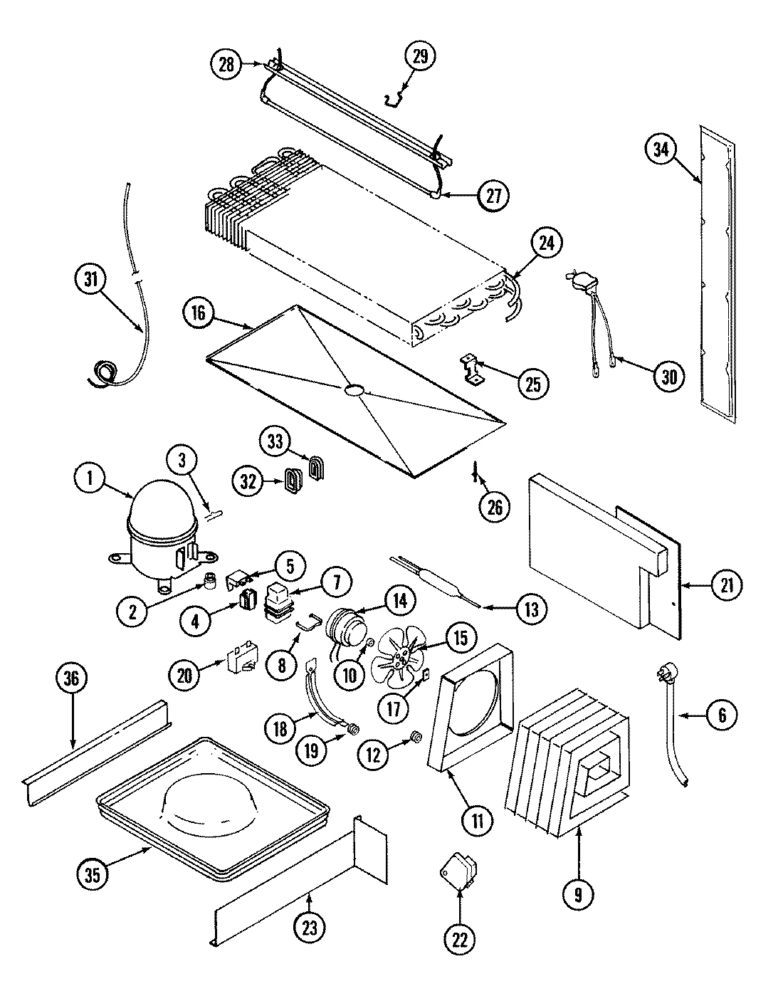
RB171TFM 07 – UNIT COMPARTMENT & SYSTEMadmin2025-04-26T09:07:33+00:00RB171TFM 07 – UNIT COMPARTMENT & SYSTEM ProductsPositionProduct1MAY RA1011-11MAY RA1032-12MAY 17245-43MAY 414011-13MAY 62165-13MAY 60110-24WP10097202 Whirlpool Refrigerator Start Device42154436 Whirlpool Refrigerator Start Relay5MAY 69105-1054388953 Whirlpool Overload Relay6MAY 52890-27MAY 69754-17MAY 66589-28MAY 59596-19MAY 60408-19MAY 60434-310MAY 69063-111MAY 66228-112MAY 53351-113WPW10143759 Whirlpool Dryer Filter14MAY 68445-314MAY 408015-114MAY 6100156215WP12587601 Whirlpool Refrigerator Condenser Blade16MAY 69118-117MAY 19914-018MAY 69181-119MAY 56933-120WP2262343 Whirlpool Refrigerator/Freezer Capacitor20WP65889-4 Whirlpool Refrigerator Capacitor20MAY 70162-121WP488729 Whirlpool Refrigerator Door Screw21MAY 66338-322MAY 405007-122MAY 68233-123MAY 66493-124MAY 69822-125MAY 60108-226MAY 26397-927WP60106-34 Whirlpool Refrigerator Heater28MAY 60109-429MAY 68935-130WP52085-28 Whirlpool Thermostat31MAY 66223-131MAY 65013-432MAY 60068-133MAY 6100156033MAY 70164-133MAY 60069-133MAY 60177-434MAY 65275-5036MAY 60555-136WP489478 Whirlpool Refrigerator Screw37MAY 65398-137MAY 60555-239MAY 108340-3