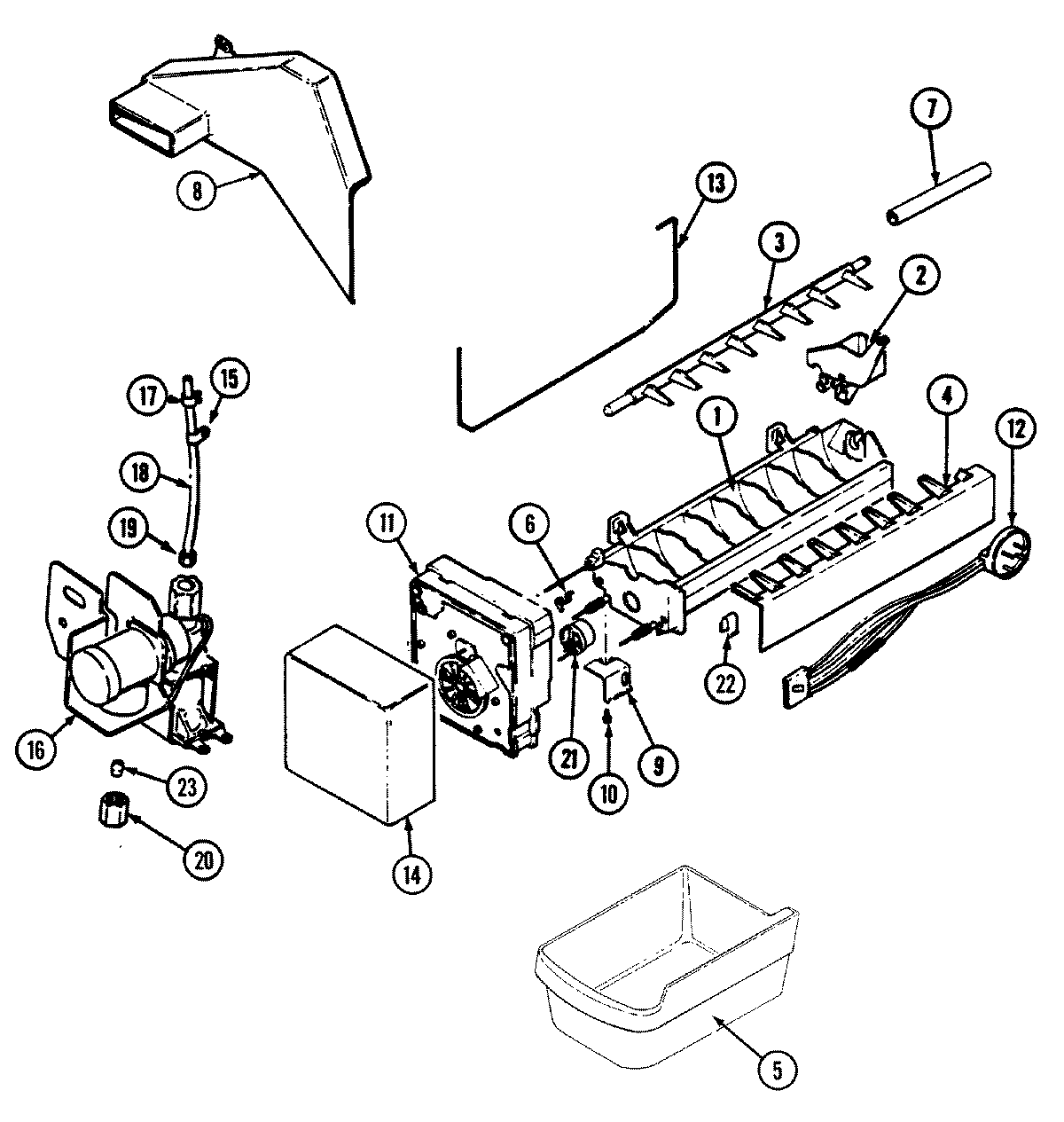
RB171TFW 05 – ICE MAKER