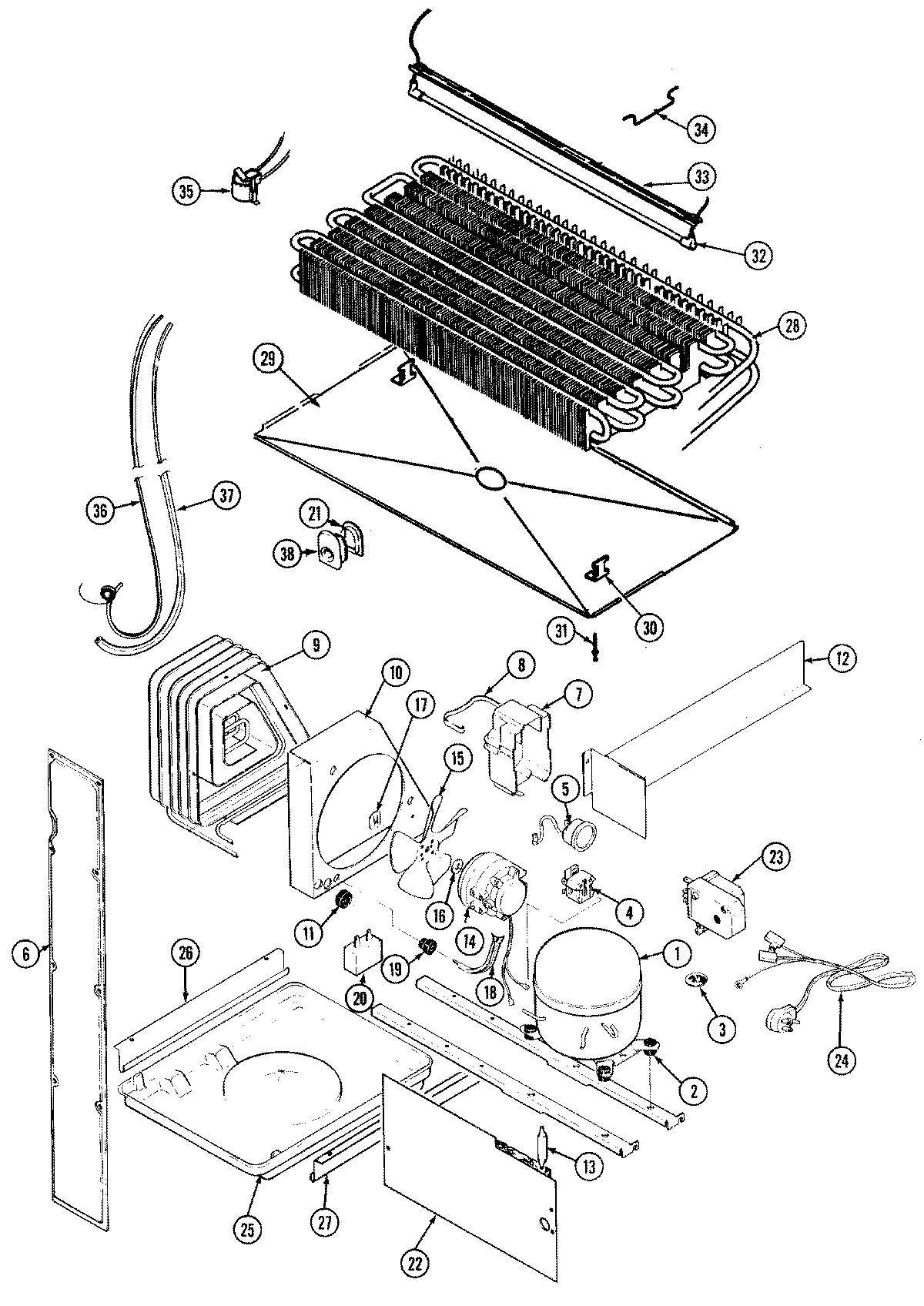
RB171TM 07 – UNIT COMPARTMENT & SYSTEMadmin2025-04-26T09:07:56+00:00RB171TM 07 – UNIT COMPARTMENT & SYSTEM ProductsPositionProduct1MAY RA1011-11MAY RA1032-12MAY 17245-43MAY 62165-13MAY 414011-14WP10097202 Whirlpool Refrigerator Start Device42154436 Whirlpool Refrigerator Start Relay5MAY 69105-1054388953 Whirlpool Overload Relay6MAY 60110-26MAY 65275-507MAY 69754-17MAY 66589-28MAY 59596-19MAY 60434-39MAY 60408-110MAY 66228-111MAY 53351-112MAY 66493-113WPW10143759 Whirlpool Dryer Filter14MAY 408015-114MAY 6100156214MAY 68445-315WP12587601 Whirlpool Refrigerator Condenser Blade16MAY 69063-117MAY 19914-018MAY 69181-119MAY 56933-120WP65889-4 Whirlpool Refrigerator Capacitor20WP2262343 Whirlpool Refrigerator/Freezer Capacitor21MAY 60069-121MAY 60177-421MAY 70162-121MAY 6100156022MAY 66338-322WP488729 Whirlpool Refrigerator Door Screw23MAY 68233-123MAY 405007-124MAY 52890-226MAY 60555-127MAY 60555-227WP489478 Whirlpool Refrigerator Screw28MAY 69822-129MAY 69118-130MAY 60108-231MAY 26397-932WP60106-34 Whirlpool Refrigerator Heater33MAY 60109-434MAY 68935-135WP52085-28 Whirlpool Thermostat36MAY 65013-2636MAY 66223-137MAY 65398-138MAY 60068-139MAY 108340-3