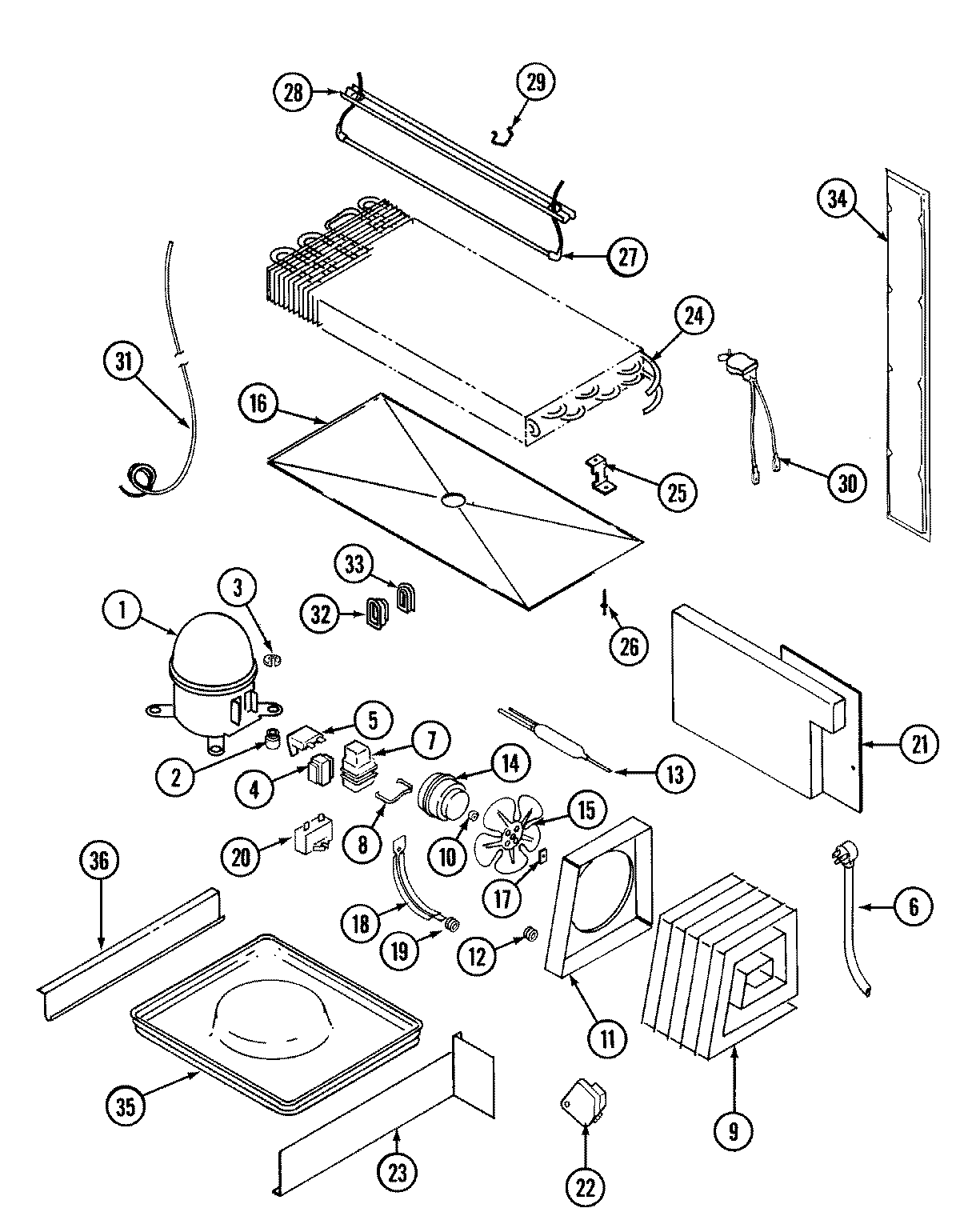
RB191AV 09 – UNIT COMPARTMENT & SYSTEMadmin2025-04-26T09:06:06+00:00RB191AV 09 – UNIT COMPARTMENT & SYSTEM ProductsPositionProduct1MAY RA1011-12MAY 17245-43MAY 62165-142154436 Whirlpool Refrigerator Start Relay5MAY 69105-106MAY 52890-37MAY 66589-28MAY 65886-19MAY 60434-39MAY 60408-29MAY 414001-110MAY 6100168611MAY 6100120512MAY 53351-113WPW10143759 Whirlpool Dryer Filter14MAY 6100101614MAY 65275-3315WP12587601 Whirlpool Refrigerator Condenser Blade16MAY 6100166717WP486692 Whirlpool Refrigerator Nut18MAY 69181-119MAY 56933-120WP2262343 Whirlpool Refrigerator/Freezer Capacitor21MAY 65275-521MAY 66338-422MAY 405007-122WP68233-2 Whirlpool Refrigerator Defrost Timer23MAY 66493-124MAY 69822-725MAY 60108-226MAY 26397-927WP60106-35 Whirlpool Defrost Heater Assembly28MAY 60109-529MAY 68935-130WP52085-28 Whirlpool Thermostat31MAY 6100104231MAY 65013-2632MAY 60068-133MAY 60069-134MAY 6100113634MAY 65275-5034MAY 6100156034MAY 60177-436MAY 60555-136MAY 60555-236WP489478 Whirlpool Refrigerator Screw37MAY 6100172038MAY 16000329