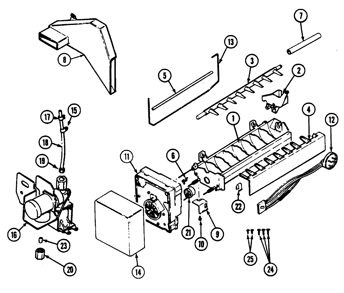
RB191TA 05 – OPTIONAL ICE MAKER (ICE)admin2025-04-26T09:07:11+00:00RB191TA 05 – OPTIONAL ICE MAKER (ICE) ProductsPositionProduct1WP99003172 Whirlpool Silicone L1D7824706Q Whirlpool Refrigerator Ice Maker Assembly2WP628356 Whirlpool Refrigerator Fill Cup3WP627843 Whirlpool Refrigerator Ejector Arm4WP2182124 Whirlpool Refrigerator Stripper Arm5MAY 67556-26WP2315522 Whirlpool Refrigerator Clip7MAY 67666-58MAY 68412-28MAY 68412-39BRACKET, MODULE & HEATER10MAY 95108-111MAY 95109-112MAY 70076-113MAY 68112-114MAY 68328-215SCREW15MAY 23197-816MAY 69364-117WPM0114003 Whirlpool Microwave Speed Clip Clamp18MAY 67579-619WP627018 Whirlpool Refrigerator Nut20WP245183 Whirlpool Nut21WP627985 Whirlpool Icemaker Cycling Thermostat21MAY 95093-122MAY 68118-123WP487627 Whirlpool Refrigerator Sleeve24MAY 400021-125MAY 401017-126WP67001255 Whirlpool Ice Bucket