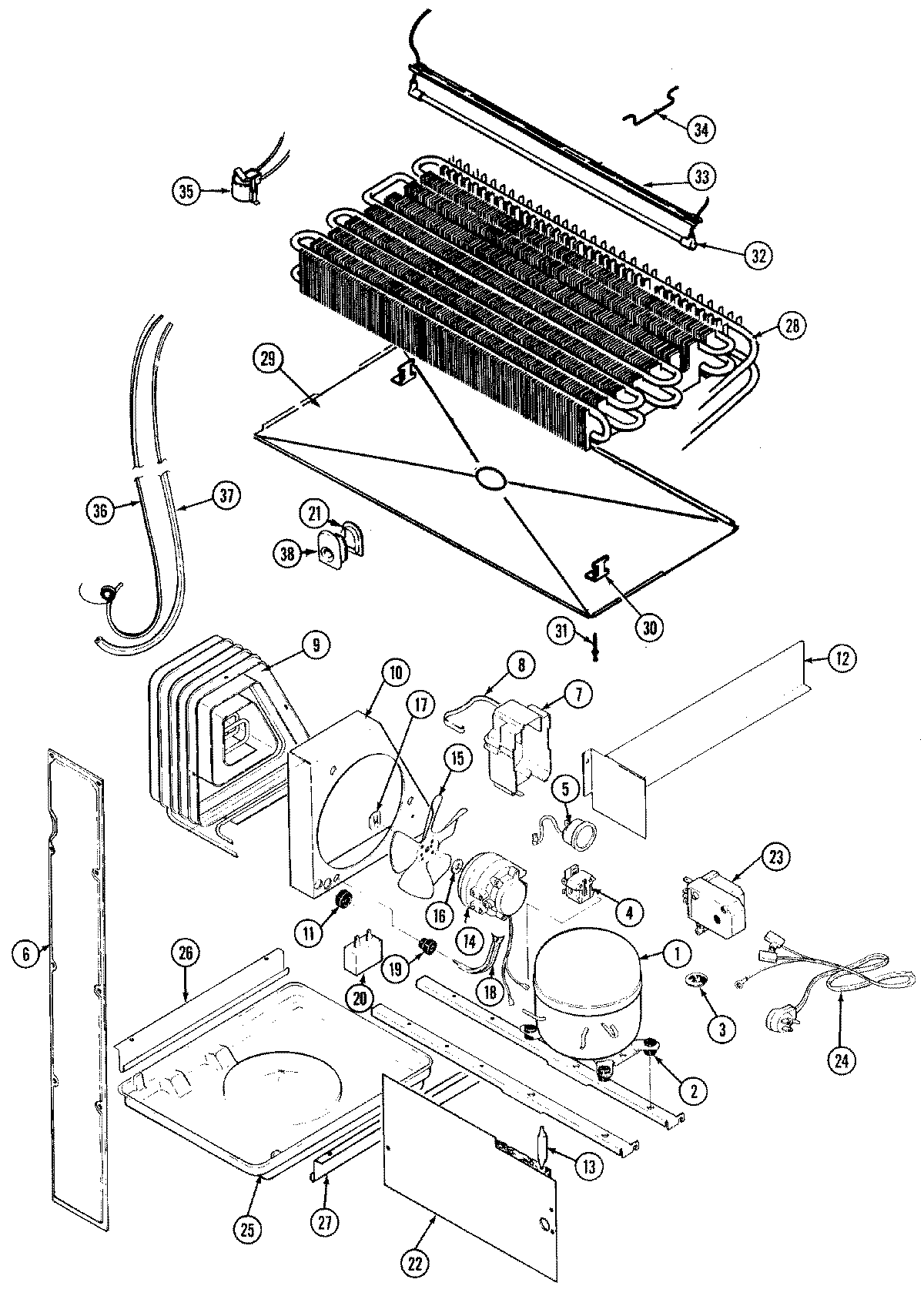
RB191TLM 07 – UNIT COMPARTMENT & SYSTEMadmin2025-04-26T09:08:05+00:00RB191TLM 07 – UNIT COMPARTMENT & SYSTEM ProductsPositionProduct1MAY RA1011-11MAY RA10322MAY 17245-43MAY 52778-23MAY 414011-14WP10097202 Whirlpool Refrigerator Start Device42154436 Whirlpool Refrigerator Start Relay54388953 Whirlpool Overload Relay5MAY 69105-106MAY 52890-27MAY 69754-17MAY 66589-18MAY 59596-19MAY 60434-39MAY 60408-110MAY 69063-111MAY 66228-112MAY 53351-113MAY 1390014MAY 68445-114MAY 408015-115WP12587601 Whirlpool Refrigerator Condenser Blade16MAY 69118-217MAY 19914-018MAY 69181-119MAY 56933-120WP2262343 Whirlpool Refrigerator/Freezer Capacitor20WP65889-4 Whirlpool Refrigerator Capacitor21WP488729 Whirlpool Refrigerator Door Screw21MAY 66338-422MAY 405007-122WP68233-2 Whirlpool Refrigerator Defrost Timer23MAY 66493-124MAY 69822-725MAY 60108-226MAY 26397-927WP60106-35 Whirlpool Defrost Heater Assembly28MAY 60109-529MAY 68935-130MAY 52085-3331MAY 65398-131MAY 65013-2631MAY 66223-131MAY 65013-2232MAY 60068-133MAY 108340-333MAY 70162-133MAY 60069-133MAY 60177-434MAY 60110-234MAY 65275-5036MAY 60555-136WP489478 Whirlpool Refrigerator Screw36MAY 60555-2