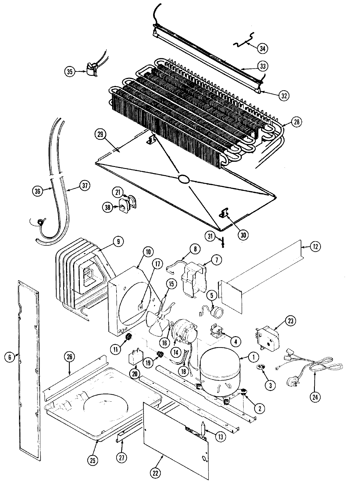
RB191TLV 07 – UNIT COMPARTMENT & SYSTEMadmin2025-04-26T09:08:27+00:00RB191TLV 07 – UNIT COMPARTMENT & SYSTEM ProductsPositionProduct1MAY RA10321MAY RA1011-12MAY 17245-43MAY 414011-13MAY 52778-24WP10097202 Whirlpool Refrigerator Start Device42154436 Whirlpool Refrigerator Start Relay5MAY 69105-1054388953 Whirlpool Overload Relay6MAY 52890-27MAY 66589-17MAY 69754-18MAY 59596-19MAY 60408-19MAY 60434-310MAY 69063-111MAY 66228-112MAY 53351-113MAY 1390014MAY 408015-114MAY 6100101614MAY 68445-115WP12587601 Whirlpool Refrigerator Condenser Blade16MAY 69118-217MAY 19914-018MAY 69181-119MAY 56933-120WP2262343 Whirlpool Refrigerator/Freezer Capacitor20WP65889-4 Whirlpool Refrigerator Capacitor21WP488729 Whirlpool Refrigerator Door Screw21MAY 66338-422MAY 405007-122WP68233-2 Whirlpool Refrigerator Defrost Timer23MAY 66493-124MAY 69822-725MAY 60108-226MAY 26397-927WP60106-35 Whirlpool Defrost Heater Assembly28MAY 60109-529MAY 68935-130MAY 52085-3331MAY 65398-131MAY 65013-2231MAY 65013-2631MAY 66223-132MAY 60068-133MAY 6100156033MAY 108340-333MAY 60069-133MAY 60177-433MAY 70162-134MAY 60110-234MAY 65275-5036MAY 60555-136MAY 60555-236WP489478 Whirlpool Refrigerator Screw