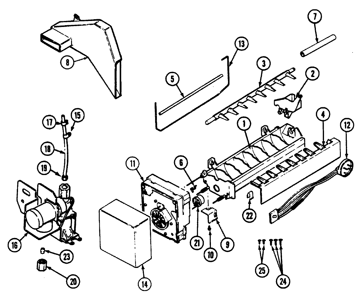
RB191TM 05 – OPTIONAL ICE MAKER (ICE)