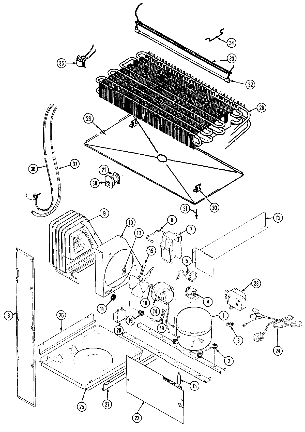
RB191TM 07 – UNIT COMPARTMENT & SYSTEMadmin2025-04-26T09:09:20+00:00RB191TM 07 – UNIT COMPARTMENT & SYSTEM ProductsPositionProduct1MAY RA10321MAY RA1011-12MAY 17245-43MAY 414011-13MAY 52778-24WP10097202 Whirlpool Refrigerator Start Device42154436 Whirlpool Refrigerator Start Relay5MAY 69105-1054388953 Whirlpool Overload Relay6MAY 60110-26MAY 65275-507MAY 69754-17MAY 66589-28MAY 59596-19MAY 60434-39MAY 60408-110MAY 66228-111MAY 53351-112MAY 66493-113MAY 1390014MAY 408015-114MAY 6100101614MAY 68445-115WP12587601 Whirlpool Refrigerator Condenser Blade16MAY 69063-117MAY 19914-018MAY 69181-119MAY 56933-120WP65889-4 Whirlpool Refrigerator Capacitor20WP2262343 Whirlpool Refrigerator/Freezer Capacitor21MAY 70162-121MAY 60177-421MAY 60069-121MAY 6100156022WP488729 Whirlpool Refrigerator Door Screw22MAY 66338-423MAY 405007-123WP68233-2 Whirlpool Refrigerator Defrost Timer24MAY 52890-226MAY 60555-127WP489478 Whirlpool Refrigerator Screw27MAY 60555-228MAY 69822-729MAY 69118-230MAY 60108-231MAY 26397-932WP60106-35 Whirlpool Defrost Heater Assembly33MAY 60109-534MAY 68935-135MAY 52085-3336MAY 65013-2236MAY 65013-2636MAY 66223-137MAY 65398-138MAY 60068-138MAY 108340-3