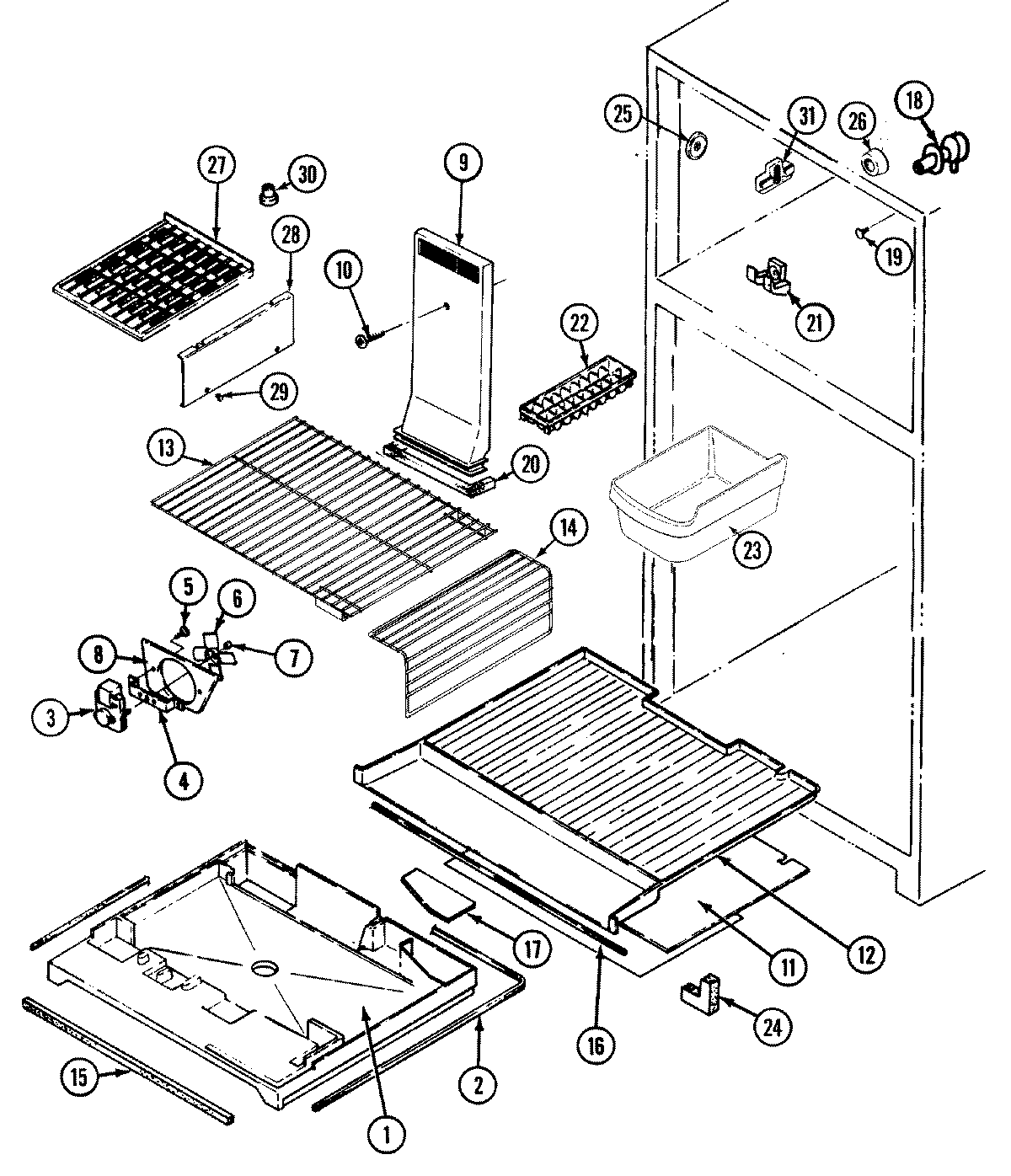
RB192TM 01 – FREEZER COMPARTMENTadmin2025-04-26T09:09:25+00:00RB192TM 01 – FREEZER COMPARTMENT ProductsPositionProduct1MAY 69403-12MAY 69414-23MAY 406062-13MAY 69106-24MAY 64856-15MAY 400015-366MAY 69107-17MAY 420092-9008MAY 60608-29MAY 70208-310MAY 400015-3111MAY 66403-212MAY 69397-113MAY 70322-114MAY 70323-115MAY 69562-216MAY 69413-217MAY 6166480518MAY 68307-119MAY 67557-220MAY 60478-121MAY 66101-122WP841180A Whirlpool Microwave Glass Turntable Tray23MAY 60653-124MAY 69563-125MAY 68187-126MAY 68387-127MAY 67114-428MAY 67148-229MAY 67150-130MAY 400019-130MAY 67149-131MAY 70041-131MAY 400021-1