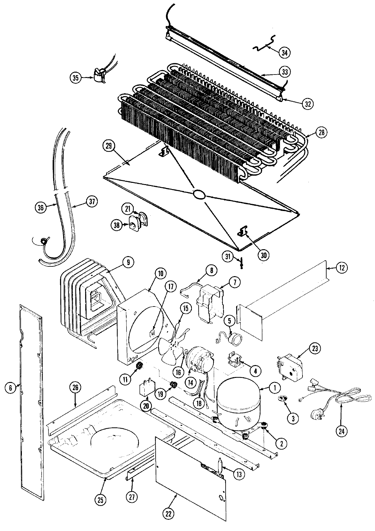
RB192TM 07 – UNIT COMPARTMENT & SYSTEMadmin2025-04-26T09:08:22+00:00RB192TM 07 – UNIT COMPARTMENT & SYSTEM ProductsPositionProduct1MAY RA1011-11MAY RA10322MAY 17245-43MAY 414011-13MAY 52778-24WP10097202 Whirlpool Refrigerator Start Device42154436 Whirlpool Refrigerator Start Relay54388953 Whirlpool Overload Relay5MAY 69105-106MAY 60110-26MAY 65275-507MAY 69754-17MAY 66589-28MAY 65886-19MAY 60434-39MAY 60408-210MAY 66228-111MAY 53351-112MAY 66493-112MAY 414001-113MAY 1390014MAY 65275-3314MAY 68445-115WP12587601 Whirlpool Refrigerator Condenser Blade16MAY 69063-117WP486692 Whirlpool Refrigerator Nut18MAY 69181-119MAY 56933-120WP65889-4 Whirlpool Refrigerator Capacitor20WP2262343 Whirlpool Refrigerator/Freezer Capacitor21MAY 60177-421MAY 70162-121MAY 60069-122MAY 66338-422WP488729 Whirlpool Refrigerator Door Screw23WP68233-2 Whirlpool Refrigerator Defrost Timer23MAY 405007-124MAY 52890-226MAY 60555-127MAY 60555-227WP489478 Whirlpool Refrigerator Screw28MAY 69822-729MAY 69118-230MAY 60108-231MAY 26397-932WP60106-35 Whirlpool Defrost Heater Assembly33MAY 60109-534MAY 68935-135MAY 52085-3336MAY 65013-2636MAY 65013-2237MAY 66223-137MAY 65398-138MAY 60068-139MAY 108340-3