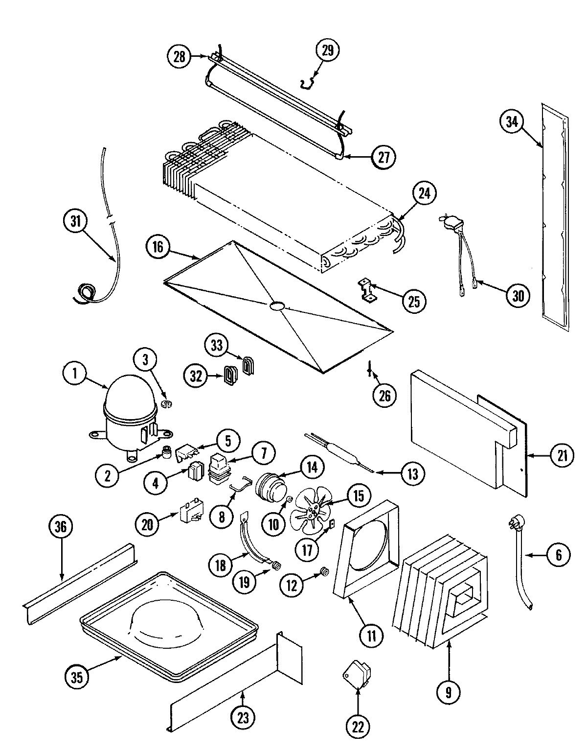
RB214AFM 10 – UNIT COMPARTMENT & SYSTEM